EasyManua.ls Logo

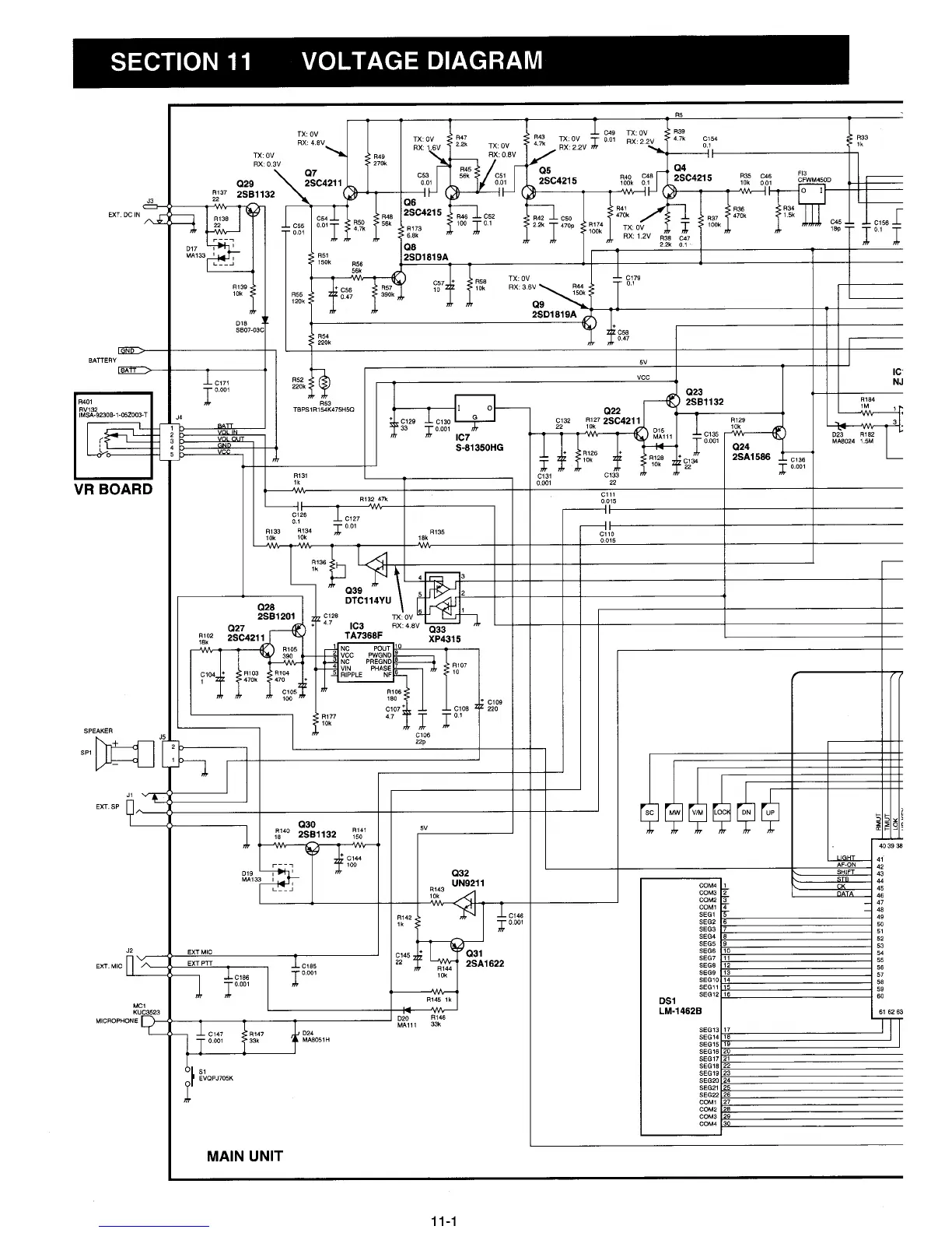
Icom IC-A4 - SECTION 11 VOLTAGE DIAGRAM

Icom IC-A4
32 pages
Print Icon
To Next Page IconTo Next Page
To Next Page IconTo Next Page
To Previous Page IconTo Previous Page
To Previous Page IconTo Previous Page
Loading...

Other manuals for Icom IC-A4

Related product manuals