EasyManua.ls Logo

Icom IC-F3003 - Block Diagram

Icom IC-F3003
48 pages
Print Icon
To Next Page IconTo Next Page
To Next Page IconTo Next Page
To Previous Page IconTo Previous Page
To Previous Page IconTo Previous Page
Loading...
9 - 1
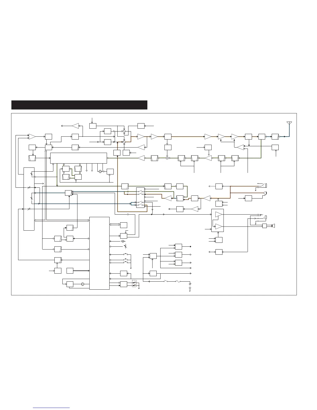
SECTION 9
.
BLOCK DIAGRAM
LPF
LPF
LPF
NJM12902V
IC60
LPF
XP4601
Q51
LPF
IC59
LM2902PWR
LPF
LM2902PWR
IC59
PWR
DET
D3
RB876W
MUTE
SW
LDTA144EE
Q6
EEPROM
IC52
R1EX24016ATA00A
RESET
IC53
N JU7704F3
SHIFT
SW
D52
1SS390
ANT
SW
D 22:HVD144A
D1:HVD144A
PWR
AM P
Q1
RD07MUS2B
TX/RX
SW
D6:HVD142A
D5:HVD142A
Q13 2SC4226
D12,13:HVD376B
Q14 2SC4226
D16,17:HVD376B
FIL
RIPPLE
Q15
2SC4116
VCO
SW
Q11:LDTC144EE
FIL
LOOP
PLL
IC
IC2
M B15A02PFV1
X3
Q26
2SC4116
X1
JTBM450CX
X51
CR-864
AM P
NJM12902V
IC58
FM
MOD
D15
HVL355CM
Q23
3SK293
BPF
D28
HVB350BYPTL
BPF
D28
HVB350BYPTL
BPF
D26
HVL375C
BPF
D24
HVL375C
BPF
RF
AM P
Q22
3SK293
APC
AMP
IC1
TA75S01F
BPF
XTAL
FI1
FL-442
IF
AM P
Q24
2SC5107
AF
AM P
IC55 TPA0211
PUSH1
P2
PUSH1
P1
SP1
BUFF
Q8
2SC5107
BUFF
Q10
2SC5107
BUFF
Q9
2SC5107
BUFF
Q17
2SK880
SW
FIL
Q52
LDTC144EE
DRIVE
AM P
Q2
RD01MUS1
ATT
GATE
CTRL
Q21
2SK1829
MC51
EM9745P
PUSH1
PTT
PTT
DET
Q58:UNR911HG0
AF VOL
R1
X2
CR-794
TCXO
S1
S2
S3
S4
T5
REG
Q73
KTA2015
REG
R5
Q72
2SA1586
REG
S5
Q71
KTA2015
F51
ERBSE3R00U
12
BATTERY_1
BT1
SW12
S5
PWR
CTRL
Q63:2SB1132
Q64:XP6501
DRIVE
PRE
Q3
2SC5107
LV
ADJ
D14
HVL375C
LV
ADJ
D11
HVL375C
HPF
IC58
NJM12902V
LPF
IC58
NJM12902V
LED
CTRL
Q82:Q83
LDTA144EE
BUFF
IC60
NJM12902
R88
J52
J51
SELECT
S54
TP70TF5169
CH
D51:LRB706F
Q81:UNR9210G0
CLONE
BUFF
W/N
SW
Q25
LDTC144EE
J53
1
2
HPF
IC58
NJM12902V
MIC
MUTE
IC62
CD4066BPWR
IC62
CD4066BPWR
RX
MUT E
VOL1
R132
VOL1
R133
VOL1
R133
VOL1
R132
W/N
SW
D33,D34:1SS390
Q27:LDTA144EE
BPF
CERAMIC
FI2
LTM450FW
BPF
CERAMIC
LTW450HW
FI3
W/N
SW
D31:D32
1SS390
REG
+5V
Q74:2SB1132
Q75:XP6501
Q76:LDTC144EE
CPU5
REG
IC54
NJM2871BF05
AM P
NJM12902V
IC60
MIC
GAIN
IC62
CTRL
CD4066BPWR
AMP
LM2902
NJM12902V
IC60
AF
AM P
IC12
TA7368F
AUTO_TX
CTRL
Q59:LDTC144EE
DET
D 53:L1SS400
BEEP
SW
IC61
CD4053B
BEEP
SW
IC61:CD4053B
VCO
SW
Q12:LDTC144EE
LPF
IC59
LM2902PWR
HR
YG
DS51
CL-165HR
MMUT
T5V
RMUT2
RMUT1
SDEC
CDEC
RES
CENC0-2
SENC
D/A
IF IC
LVIN
S5V
R5V
RX VCO
TX VCO
RSSI
DUSE
T2
T1
T1
TMUT
NOIS
CPU
IC3:NJM2591V
IC57
R2A20178
136-174MHz
REF
BAL
15.3MHz
45.9MHz
DISC
SQIN
46.35MHz
182.35MHz-220.35MHz
TONE
CTCSS/DTCS DEC
MAIN UNIT
12.288MHz
CSFT
MIXER
RSSI
MOD
BEEP
CPU5
VCC
+5V
S5V
R5V
T5V
S5C
R5C
T5C
CTCSS/DTCS
LV
LVA
LVA,T1,T2
IC56
CD4066BPWR
ANALOG
SW
TEMP
VCC
F1
F2
DISC
AFON
450kHz
450kHz
NWC
CPU5
PWON
VOXV
ATX
EPTT
VCC
AFON
AFVI
IPTT
RBEEP TBEEP
R5C
T5C
M GC1
M GC0
AFO
KEY1
KEY2
IC51
R4F20102

Other manuals for Icom IC-F3003

Related product manuals