EasyManua.ls Logo

Icom IC-F3GS - Bllock DIAGRAM

Icom IC-F3GS
33 pages
Print Icon
To Next Page IconTo Next Page
To Next Page IconTo Next Page
To Previous Page IconTo Previous Page
To Previous Page IconTo Previous Page
Loading...
10 - 1
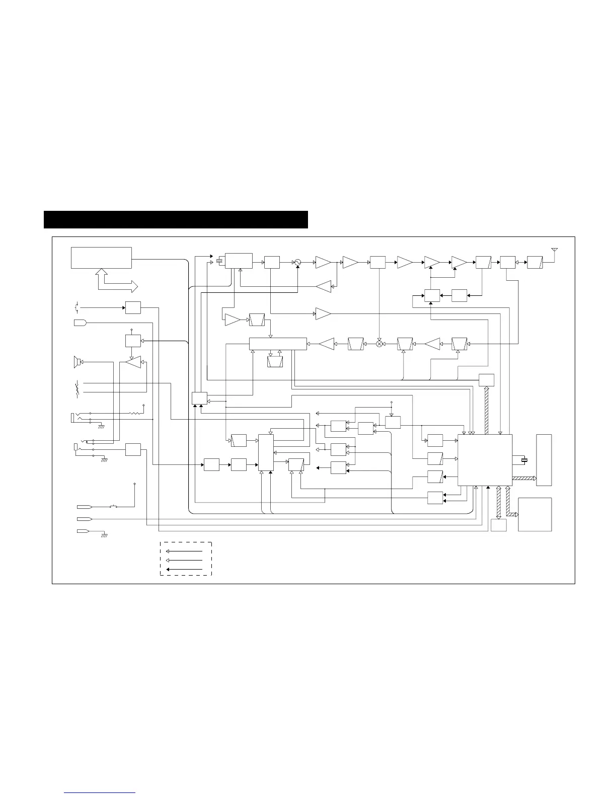
SECTION 10 BlLOCK DIAGRAM
ANT
LPFLPF
ANT
SW
D1: MA77
D2: MA77
D8: MA77
Q1: 2SK2974Q2: 2SK2973Q3: 2SC5085 Y
D3: MA77
D4: MA77
PLL IC
Q4: 2SC4215 OQ6: 2SC4215 O
IC1: UPD3140GS
VCO
Q7: 2SC5085 Y
Q8: 2SC5085 Y
REF
X1: CR-664
(15.3 MHz)
OPTION UNIT
J5 AXN330C038
2TONE or 5TONE
PTT
MIC
AF
REG
AF
AMP
PTT
CONT
Q17: UN911H
VCC
IC5: TA7368F
FRQCON
DBAL
Q15: 2SB1132 R
Q16: XP6501 AB
D26: DAN202K
DEV
MIC, AF, PTT, MMUT
RMUT, AFONOP
SIGOUT
IF DET IC
DET
IC2: TA31136FN(D)
Q5: 2SC4215 O
FI2
SFPC450G: [Narrow]
SEPC450E: [Wide]
(450kHz)
FI1
FL-311: [Narrow]
FL-312: [Wide]
(31.05MHz)
Q14: 2SC4215 O
Q34: 2SK1069 4
SQL
BPF
BPFBUFF
Q10: 2SC4116 GR
(30.6MHz)
APC
Q12: 3SK293
Q13: 3SK239A
TXC
PWR
DET
PWR
AMP
PRE
DRIVE
TX/RX
SW
BUFFBUFFBUFF
LOOP
FIL
BUFF
BUFF
BPF BPF BPF
D/A
RF
AMP
IF
AMP
D32: RB706F-40
D33: RB706F-40
D9: HVU350
D10:HVU350
D11: HVU350
D12: HVU350
IC3A: NJM2902V
Q37: DTA144EU
IC10:
M62363FP-650C
RESET
LPF
LPF
BUFF
+5
CPU
VCC
IC11: S-80942ANMP-DD6
IC6:
TK11250BM
S5C
S5
CONT
CPU5
Q20: DTA144EU
REG
S5
S5
Q21: 2SA1577 Q
IC3B: NJM2902V
HPF
LPF
IC4: BU4066BCFV
SD
NOIS
CPU5
Q18: 2SB1132 R
Q19: XP6501 AB
5V
OPT
BUFF
D/A
AF OUT
SP
Q31: DTC144TU
D27: RB706F-40
IC10:
M62363FP-650C
VR
MIC JACK
SP JACK
EXT.MIC
SP
BATT
GND
BDET
VCC
CLONE
POWER SW
PRE
ENPHA
MIC
AMP
ANALOG
SWR5
REG
R5
REG
T5
R5
T5
Q22: 2SA1577 Q
IC3D: NJM2902V
IC3C: NJM2902V
CTCSS
TONE
RMUT
MMUT
Q35: 2SC4116 GR
DTMF
MTONE
CTCSS
DTCS
Q36: 2SC4116 GR
R5C
T5C
IC12: NJM2904V
IC8: HD64738747H
CPU
LCD
KEY
MATRIX
EEPROM
IC7: HN58X2432TI
X2: CR-663
(9.2 MHz)
T3, T4
T1, T2
T4
COMMON LINE
TX LINE
RX LINE

Other manuals for Icom IC-F3GS

Related product manuals