EasyManua.ls Logo

Icom IC-F4103D - Circuit Descripiton; Receiver Circuits

Icom IC-F4103D
38 pages
Print Icon
To Next Page IconTo Next Page
To Next Page IconTo Next Page
To Previous Page IconTo Previous Page
To Previous Page IconTo Previous Page
Loading...
4 - 1
SECTION 4
.
CIRCUIT DESCRIPTION
4-1 RECEIVER CIRCUITS
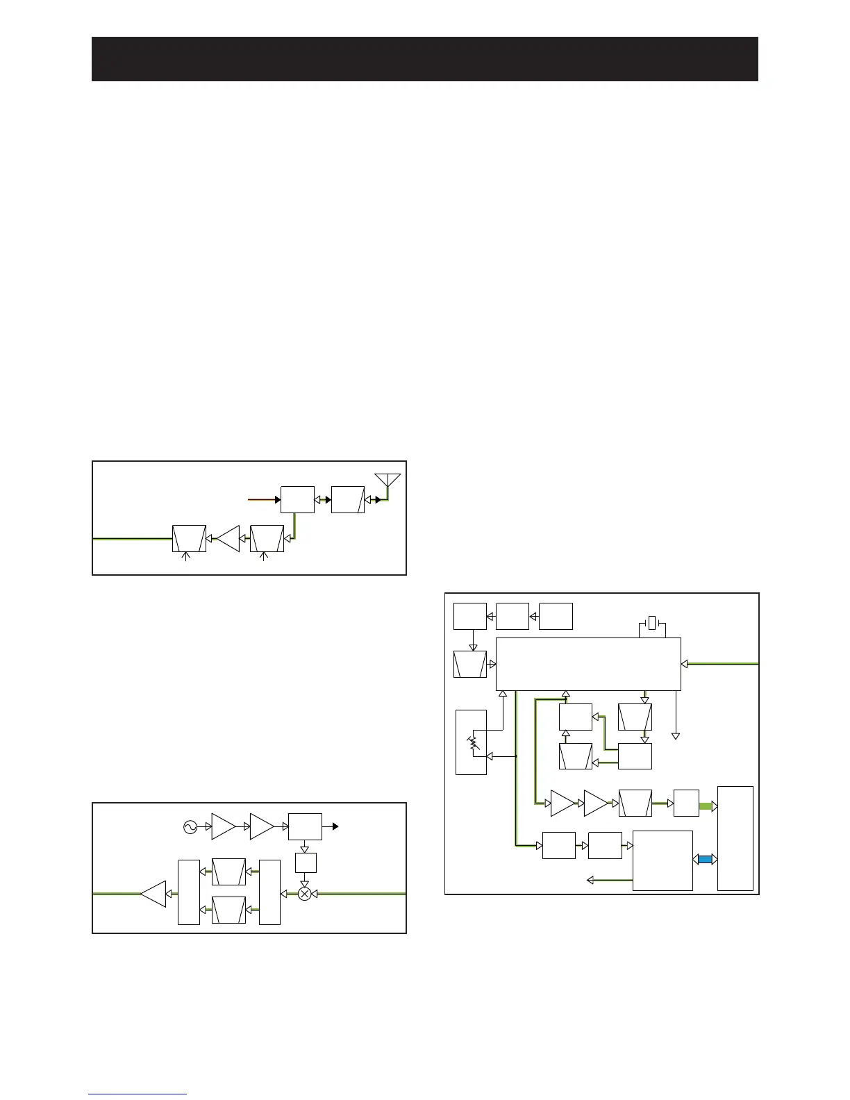
RF CIRCUITS
The RX signal from the antenna is passed through the LPF
and antenna SW (D3, D22), then filtered by the 2-staged
tuned BPF (D24 and D26) to eliminate unwanted out-of-
band signals. The filtered RX signal is amplified by the RF
AMP (Q22), and filtered by another 2-staged tuned BPF
(D28) to obtain a good image response, then applied to the
1st IF circuits.
The BPFs are tuned to the RX frequency by applying ad-
equate tuning voltages: “T1” and “T2” to the variable capaci-
tors.
1ST IF CIRCUITS
The RX signal from the RF circuits is applied to the 1st IF
mixer (Q23) and mixed with the 1st LO signal from the RX
VCO, resulting in the 46.35 MHz 1st IF signal. The 1st IF sig-
nal is passed through the IF SWs (D31–D34) and the crystal
lter (FI1: analog mode, FI2: digital mode) to be fi ltered, am-
plified by the 1st IF AMP (Q24), then applied to the 2nd IF
circuits.
2ND IF AND DEMODULATOR CIRCUITS
The signal from the 1st IF circuits is applied to the IF demod-
ulator IC (IC3) which contains the 2nd IF mixer, 2nd IF AMP,
FM detector, squelch circuit and AF AMP in its package.
The 1st IF signal is applied to the 2nd IF mixer and mixed
with the 2nd LO signal resulting in the 450 kHz 2nd IF signal.
The 2nd LO signal is generated by tripling the 15.3 MHz
reference frequency signal generated by the reference fre-
quency oscillator (TCXO; X2).
WHILE OPERATING IN THE ANALOG MODE
The 2nd IF signal is filtered by the 2nd IF filter (FI3: wide/
middle mode) or fi lters (FI3 and FI4: narrow) to eliminate un-
wanted signals. It is amplifi ed by the 2nd IF AMP, and then
demodulated by the detector circuit, which employs the dis-
criminator (X1) as the phase shifter.
The demodulated AF signal is amplified by the AF AMP
(IC21), and then applied to the linear codec (IC902) through
the fi lter SW (Q901). The fi lter SW toggles the frequency re-
sponse of the AF fi lter (R904, R908, C924), according to the
type of reception; Wide, Mid or Narrow.
The AF signal is converted into a digital audio signal by the
linear codec (IC902), processed by the DSP (IC903), and
then decoded into an analog audio signal.
WHILE OPERATING IN THE DIGITAL MODE
The 2nd IF signal is fi ltered by the 2nd IF fi lters (FI3 and FI4)
to eliminate unwanted signals and applied to the IF AMP
(IC5) through the buffer (Q28). The amplifi ed 2nd IF signal is
passed through the ceramic fi lter (FI5), and then directly ap-
plied to the DSP (IC903).
The 2nd IF signal is demodulated by the DSP (IC903), and
then applied to the linear codec (IC902) to be decoded into
an analog audio signal.
The AF signal is applied to the RX AF circuits.
LPF
ANT
SW
D1,D22
RF
AMP
Q22
BPF
D28 D24,D26
BPF
T2
T1
From the TX circuits
To the 1st IF circuits
ANT
LO
SW
D5,D6
D31,D32D33,D34
Q23
BPF
XTAL
FI1
IF
AMP
Q24
BUFF
Q8
BUFF
Q10
ATT
IF SW
IF SW
RX VCO
To the TX circuits
From the RF circuits
e
2nd IF circuits
46.35MHz
BPF
XTAL
FI2
46.35MHz
1st IF mixer
PLL
IC
IC2
X3
Q26
BPF
X2
TCXO
W/N
SW
D38,D39
X1
Discriminator
BPF
CERAMIC
FI3
BPF
CERAMIC
FI4
W/N
SW
D36,D37
D/A
converter
IF IC
From the 1st IF
circuits
(Analog path)
To the RX AF circuit
(Digitalpath)
IC3
15.3MHz
45.9MHz
DISC
SQIN
IC57
450kHz
450kHz
NOIS
CERAMIC
BPF
FI5
DIF
BUFF
IC5
BUFF
Q28
A/D
IC901
FILTER
SW
Q901
DSP
LINEAR
DISC
CODEC
IC902
IC903
DAFO
AF
FILTER
R904,R908,C924
• 1ST IF CIRCUITS
• 2ND IF AND DEMODULATOR CIRCUITS
• RF CIRCUITS

Related product manuals