EasyManua.ls Logo

Icom ic-f5023/h

Icom ic-f5023/h
38 pages
To Next Page IconTo Next Page
To Next Page IconTo Next Page
To Previous Page IconTo Previous Page
To Previous Page IconTo Previous Page
Loading...
5 - 4
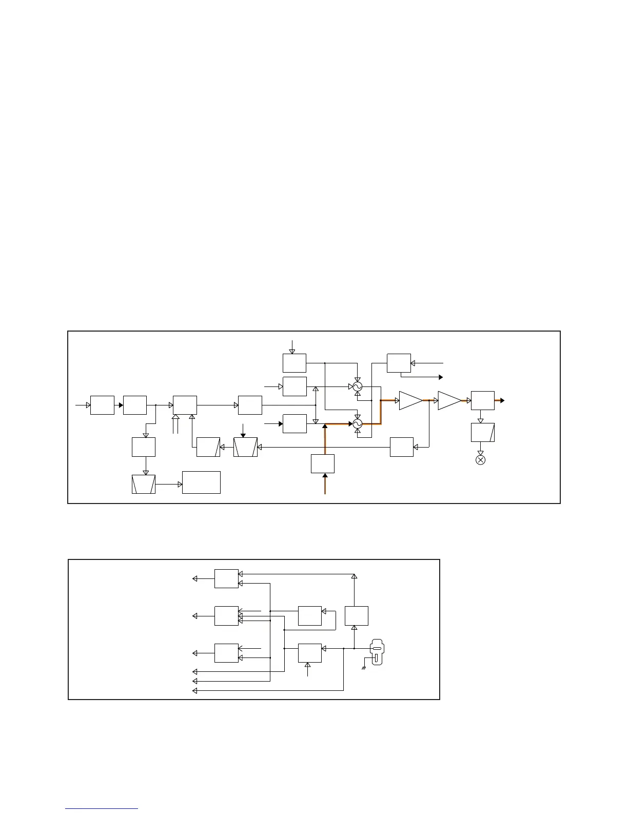
5-3 FREQUENCY SYNTHSIZER CIRCUITS
VCOs
The TX VCO which generates TX signal is composed
by Q13, D16, D31, L25, L38, etc., and the frequency
modulation is carried out by applying modulation signals to
D18.
The RX VCO which generates 1st LO signals is composed
by Q14, D33, D34, L26, L39, etc.
These two VCOs are switched by the VCO SW (Q15, 16)
using “RXC” signal.
The output signals from each VCO are amplified by the
buffer AMP (Q11) and LO AMP (Q10), then applied to the
TX or RX circuits.
A portion of oscllated signals is applied to the PLL IC (IC4)
via buffer AMP (Q12).
PLL
The applied VCO output is divided according to the serial
data including divide ratio from the CPU, at the prescaler
and programmable divider. In the same way, the reference
frequency signal from the reference frequency signal
oscillator is applied to the PLL IC and divide so that these
are the same frequency.
The frequency-matched signals are applied to the phase
comparator and phase-compared. The resulted phase
difference is detected as a phase-type signal, and level-
adjusted at the charge pump then output. The output pulse
type signal is passed through the loop filter to be converted
into the DC voltage (=Lock Voltage).
Applying the lock voltage to the variable capacitors
(VD) which composes a part of the resonator of VCO,
the capacitance of VDs changes corresponding to the
applied lock voltage. This causes the change of resonation
frequency that determines the VCO oscillating frequency to
keep the VCO frequency constant.
When the oscillation frequency drifts, its phase changes
from that of the reference frequency, causing a lock voltage
change to compensate for the drift in the VCO oscillating
frequency.
• FREQUENCY SYNTHESIZER CIRCUITS
5-4 VOLTAGE DIAGRAM
Voltage from the power supply is routed to the whole of the transceiver via regulators and switches.
LPF
REF
X2
CR-794
TX/RX
SW
D14,D15
Q14,D33,34
Q13,D16,31
FIL
RIPPLE
Q17
VCO
SW
Q15,16
FIL
LOOPPLL
IC
IC4
MB15A02
X3
Q34
FM
MOD
D18
BPF
BUFF
Q10
BUFF
Q11
LPF
IC19
AMP
X2
Q12
BPF
D54,55
TLV
AD J
D53
RLV
AD J
D52
IF IC
8V
RXC
RX VCO
TX VCO
IC1:TA31136FN
REF
15.3MHz
Clock,Data,Strobe
45.9MHz
182.35 MHz-220.35 MHz
136/146 MHz-1740 MHz
TXC
T8V
RLVA
TLVA
LVLV
SW
POWER
Q23
Q24
+5
5V
REG
Q27
Q28
+8
REG
IC9
T8
REG
Q25
Q29
D23
W2
Power supply cable
REG
CPU5
IC10
Q26
Q30
R8
REG
Driver(Q9), APC AMP(IC2), etc.
IF IC (IC1), PLL IC(IC4), etc.
RF AMP(Q2), 1st IF AMP(Q4), 1st mixer(Q3), etc.
External output(from J6)
VCOs, FRONT UNIT
T8V
R8V
8V
VCC
TMUT
RXC
PWON
HV
CPU5CPU5
VCC
8V
8V
8V
HPA module(IC3)
HV

Related product manuals