EasyManua.ls Logo

Icom IC-F5061

Icom IC-F5061
50 pages
To Next Page IconTo Next Page
To Next Page IconTo Next Page
To Previous Page IconTo Previous Page
To Previous Page IconTo Previous Page
Loading...
10 - 1
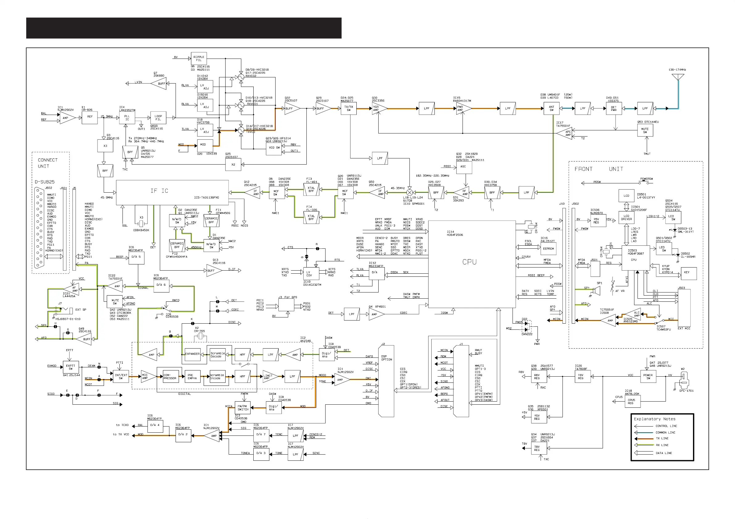
SECTION 10 BLOCK DIAGRAM
F5060A3.indd10-11 2007/02/2716:23:12

Other manuals for Icom IC-F5061

Related product manuals