EasyManua.ls Logo

Icom IC-F5063 - Frequency Synthesizer Circuits

Icom IC-F5063
50 pages
To Next Page IconTo Next Page
To Next Page IconTo Next Page
To Previous Page IconTo Previous Page
To Previous Page IconTo Previous Page
Loading...
5 - 3
TX POWER AMPLIFIERS
The transmit signal from the TX VCO is amplified to the
transmit output level by the transmit amplifi ers.
The TX VCO output signal from buffer amplifier (Q29) is
applied to the YGR amplifier (Q30) via the TX/RX switch
(D24). The amplified TX signal is passed through the LPF
(L29, L30, C269−C271, C290), and applied to the RF power
module (IC15, pin 1) and power-amplified to obtain 50 W/25
W (max.) of TX output power.
The power-amplified TX signal is passed through the LPF as
a harmonic filter (L33, C305−C308), the antenna switching
circuit (D38, D39) and LPF (L38, L39, C343, C345, C356,
C357).
The TX signal is also gone through the power detector (D47,
D49, D51) and LPF (L40, C369, C370) before being applied
to the antenna connector.
APC CIRCUIT
The APC (Automatic Power Control) circuit prevents the
transition of the transmit output power level which is caused
by load mismatching or heat effect, etc. At the power
detector, a portion of the transmit signal is rectified to
produce DC voltage which is in proportion of the transmit
power level.
The rectified voltage is applied to the inverted input terminal
of the operational amplifier (IC17, pin 3). The TX power
setting voltage “T2” from the D/A converter (IC12, pin 2) is
applied to the non-inverted input terminal as the reference.
The operational amplifier compares the rectified voltage and
reference voltage “T2,” and the difference of the voltage is
output from the operational amplifier pin 4, and the output
voltage controls the bias of YGR (Q30) amplifier and power
module (IC15) for stable transmit output power.
OP.
amp.
+
• APC CIRCUIT
“T2”
“TMUT”
to the 1st mixer (IC10)
LPF
ANT
SW
Q53
Power
amp.
YGR
amp.
LPF
HV
to the antenna
Transmit signal
from TX/RX switch (D24)
T8V
D51
D49
Q30
IC17
IC15
D47
Loop
filter
X1
15.3 MHz
Q17, D8, D9
RX VCO2 (136–155 MHz)
Q18, D10, D13
RX VCO1 (155–174 MHz)
TX VCO
Q19, D14, D17, D18, D20
PLL control signals from the CPU (IC14)
PLL unlock signal
to the CPU (IC14, pin 73)
15.3 MHz
reference frequency signal
• PLL CIRCUITS
Buffer
Q22
Buffer
Q29
×3
Q25
to transmitter circuit
to 1st mixer circuit
D15
D14
BPF
PLST
SSO
SCK
4
11
6
10
14
15
16
PLL IC (IC4)
Shift register
Prescaler
Phase
detector
Divide
ratio
adjustment
Charge
pump
Programmable
divider
Reference
divider
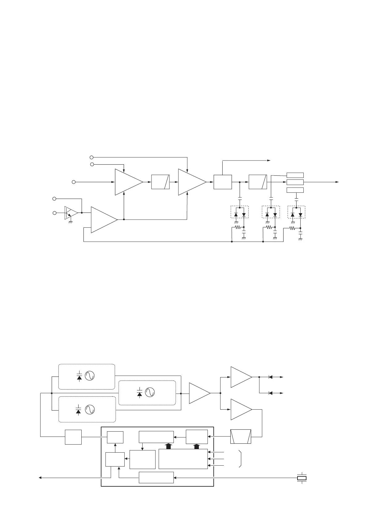
5-3 FREQUENCY SYNTHESIZER CIRCUITS
VCO
VCO is a oscillator whose oscillating frequency is controlled
by adding voltage (lock voltage).
• RX VCO1 (Q18, D10, D13)
RX VCO1 generates the 1st LO signal for receiving 155−174
MHz signals.
• RX VCO2 (Q17, D8, D9)
RX VCO2 generates the 1st LO signal for receiving 136−155
MHz signals.
Each output signals are amplified by the buffer amplifiers
(Q22, Q29), and applied to the 1st mixer (IC10, pins 4, 5) via
TX/RX switch (D25 is ON, D24 is OFF) and LPF (L22, L23,
C215, C216, C236, C237), to be mixed with the received
signals to produce the 46.35 MHz 1st IF signal.
TX VCO (Q19, D14, D17, D18, D20)
The output signal is applied to the transmit amplifi ers via the
buffer amplifi ers (Q22, Q29) and TX/RX switch (D24 is ON,
D25 is OFF).
A portion of the buffer-amplified VCO output signals from the
buffer amplifier (Q22) are applied to the PLL IC (IC4, pin 6)
via doubler (Q25) and BPF (Q5, D4, D5, L4, R77, C84−C90).

Other manuals for Icom IC-F5063

Related product manuals