EasyManua.ls Logo

Icom IC-F5063 - Section 10 Block Diagram

Icom IC-F5063
50 pages
To Next Page IconTo Next Page
To Next Page IconTo Next Page
To Previous Page IconTo Previous Page
To Previous Page IconTo Previous Page
Loading...
10 - 1
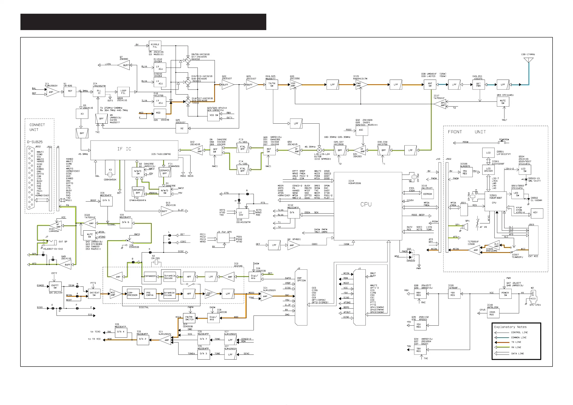
SECTION 10 BLOCK DIAGRAM
F5060A3.indd10-11 2007/02/2716:23:12

Other manuals for Icom IC-F5063

Related product manuals