EasyManua.ls Logo

ICP DLF4AH09J1A - Size 30 K & 36 K, 230 V, AC & HP, Indoor Unit

ICP DLF4AH09J1A
81 pages
Print Icon
To Next Page IconTo Next Page
To Next Page IconTo Next Page
To Previous Page IconTo Previous Page
To Previous Page IconTo Previous Page
Loading...
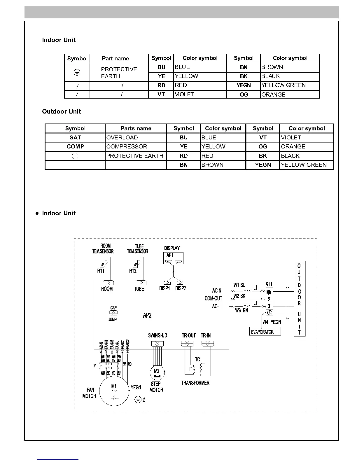
WIRING DIAGRAMS (CONT.)
Size 30k & 36k, 230V, AC & HP, Indoor Unit
SERVICE MANUAL R410A Ductless Split System: DLF4(A/H), DLC4(A/H)
421 08 9204 00 33

Table of Contents

Related product manuals