EasyManua.ls Logo

ICP F9MVT - Page 6

ICP F9MVT
59 pages
Print Icon
To Next Page IconTo Next Page
To Next Page IconTo Next Page
To Previous Page IconTo Previous Page
To Previous Page IconTo Previous Page
Loading...
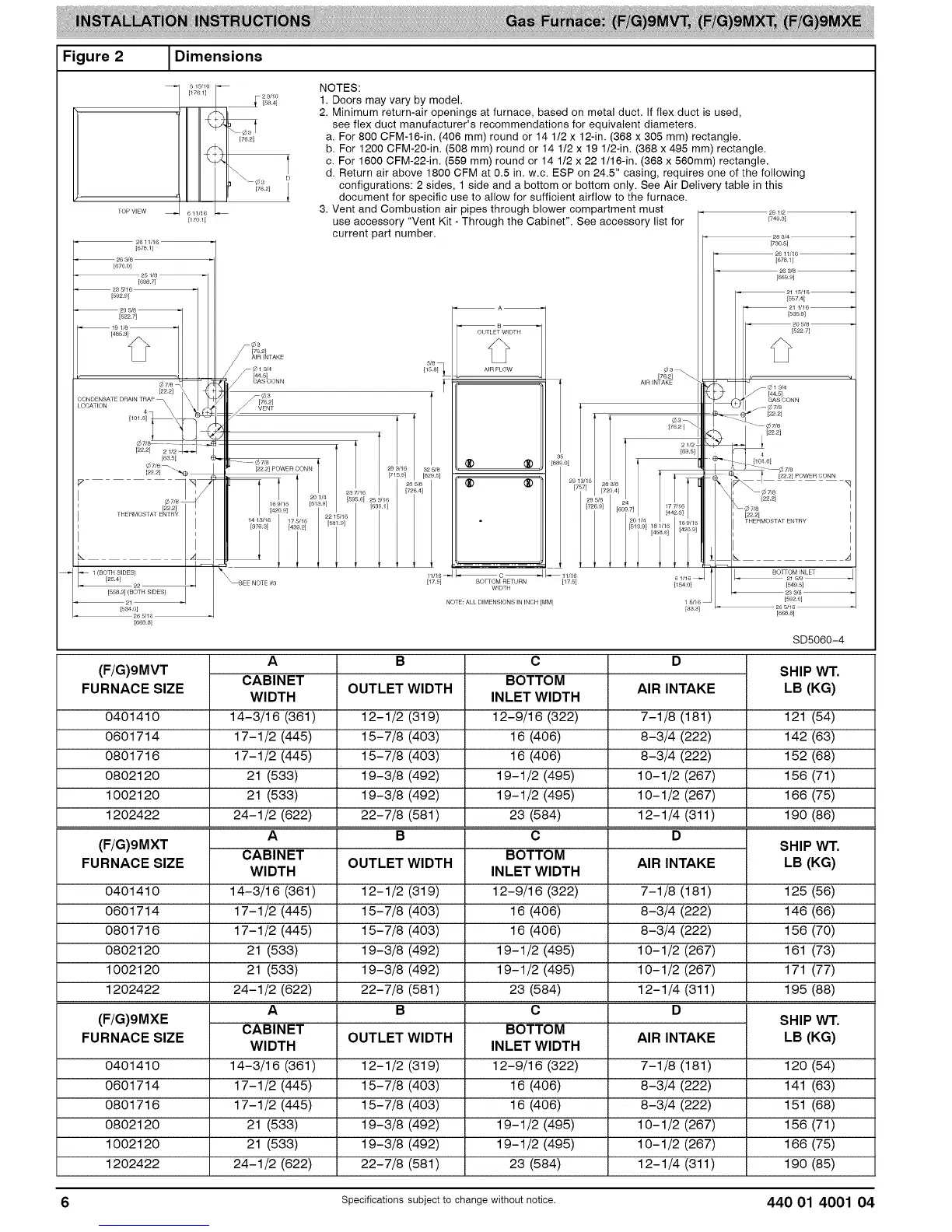
Figure 2 1Dimensions
6 15/16
11761]
TOP VIEW _ S 11/16
[170 11
[678 1]
26 3/8
[670 O]
[686 7]
_ 28 5/16
[592 9]
[222]
LOCATION
4
[10161
[222]
[6351
#7/e
[222]
V
¢ 7/8
[222]
THERMOSTAT ENTRY
23/10
_ [584]
NOTES:
1. Doors may vary by model.
2. Minimum return-air openings at furnace, based on metal duct. If flex duct is used,
see flex duct manufacturer's recommendations for equivalent diameters.
a. For 800 CFM-16-in. (406 mm) round or 14 1/2 x 12-in. (368 x 305 mm) rectangle.
b. For 1200 CFM-20-in. (508 mm) round or 14 1/2 x 19 1/2-in. (368 x 495 mm) rectangle.
c. For 1600 CFM-22-in. (559 mm) round or 14 1/2 x 22 1/16-in. (368 x 560mm) rectangle.
d. Return air above 1800 CFM at 0.5 in. w.c. ESP on 24.5" casing, requires one of the following
configurations: 2 sides, 1 side and a bottom or bottom only. See Air Delivery table in this
document for specific use to allow for sufficient airflow to the furnace.
3. Vent and Combustion air pipes through blower compartment must
use accessory "Vent Kit - Through the Cabinet". See accessory list for
current part number.
_3
S [762]
AIR INTAKE
[445]
GAS CONN
VENT
32
[82
e
4]
OUTLET WIDTH
AIR FLOW
® ®
[76.2]
AIR INTAKE
1762]
29 1/2
[749 31
2as/4
[730 S]
1678 1]
= 26 s/a
[66991
_21 15/16 _
[557 41
[5ssq
[522 7]
_1 3/4
[445]
GASOONN
{22¸8
¢ 7/a
{22¸8
4
[101.61
[222] POWERCONN
[22.21
THERMOSTAT ENTRY
1 (BOTH SIDES) 11/16 _ _ C _ _ 11/16 I BOWOM iNLET21 5/6
[254] [175] SO I_OM RETURN [175] [154 O] [549 5]
[558 3] (BOTH SIDES) WIDTH
NOTE: ALL DIMENSIONS IN INCH [MM] 1592 O]
[534 O] [333] 26 5/16
[666 8]
[666 8]
(F/G)9MVT
FURNACE SIZE
(F/G)9MXT
FURNACE SIZE
A
CABINET
WIDTH
14-3/16 (361)
17-1/2 (445)
17-1/2 (445)
B
OUTLET WIDTH
12-1/2 (319)
15-7/8 (403)
15-7/8 (403)
D
AIR INTAKE
SD5060-4
SHIP WT.
LB (KG)
0401410 7-1/8 (181) 121 (54)
0601714 8-3/4 (222) 142 (63)
0801716 8-3/4 (222) 152 (68)
0802120 21 (533) 19-3/8 (492) 10-1/2 (267) 156 (71)
1002120 21 (533) 19-3/8 (492) 10-1/2 (267) 166 (75)
1202422 24-1/2 (622) 22-7/8 (581) 12-1/4 (311) 190 (86)
D
AIR INTAKE
B
OUTLET WIDTH
12-1/2 (319)
15-7/8 (403)
(F/G)9MXE
FURNACE SIZE
C
BOTTOM
INLET WIDTH
12-9/16 (322)
16 (406)
16 (406)
19-1/2 (495)
19-1/2 (495)
23 (584)
C
BOTTOM
INLET WIDTH
12-9/16 (322)
16 (406)
16 (406)
19-1/2 (495)
19-1/2 (495)
23 (584)
C
BOTTOM
INLET WIDTH
12-9/16 (322)
16 (406)
16 (406)
19-1/2 (495)
19-1/2 (495)
23 (584)
A
CABINET
WIDTH
14-3/16 (361)
17-1/2 (445)
SHIP WT.
LB (KG)
0401410 7-1/8 (181) 125 (56)
0601714 8-3/4 (222) 146 (66)
0801716 17-1/2 (445) 15-7/8 (403) 8-3/4 (222) 156 (70)
0802120 21 (533) 19-3/8 (492) 10-1/2 (267) 161 (73)
1002120 21 (533) 19-3/8 (492) 10-1/2 (267) 171 (77)
1202422 24-1/2 (622) 22-7/8 (581) 12-1/4 (311) 195 (88)
D
OUTLET WIDTH AIR INTAKE
SHIP WT.
LB (KG)
A B
CABINET
WIDTH
14-3/16 (361) 12-1/2
17-1/2 (445) 15-7/8
17-1/2 (445) 15-7/8
21 (533) 19-3/8
21 (533) 19-3/8
24-1/2 (622) 22-7/8
0401410 (319) 7-1/8 (181) 120 (54)
0601714 (403) 8-3/4 (222) 141 (63)
0801716 (403) 8-3/4 (222) 151 (68)
0802120 (492) 10-1/2 (267) 156 (71)
1002120 (492) 10-1/2 (267) 166 (75)
1202422 (581) 12-1/4 (311) 190 (85)
6 Specifications subject to change without notice. 440 01 4001 04

Related product manuals