EasyManua.ls Logo

Ideal Boilers CF3/100 - Boiler Assembly - Exploded View

Ideal Boilers CF3/100
36 pages
Print Icon
To Next Page IconTo Next Page
To Next Page IconTo Next Page
To Previous Page IconTo Previous Page
To Previous Page IconTo Previous Page
Loading...
9
Mexico Super CF 3/100, 3/125, 3/140 - Installation
INSTALLATION
3
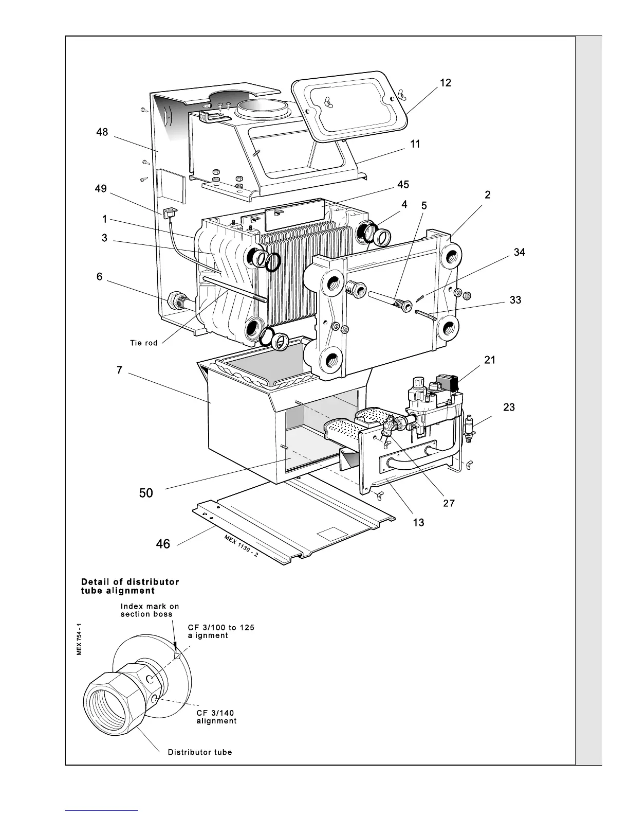
BOILER ASSEMBLY - Exploded View
LEGEND
1. Heat exchanger.
2. End section.
3. Middle section.
4. Section alignment rings
and 'O' rings.
5. Thermostat pocket.
6. Distributor tube.
7. Combustion chamber.
11. Collector hood.
12. Cleanout cover.
13. Front plate assy.
21. Gas valve.
23. Piezo spark generator.
27. Gas cock.
33. Retention clip.
34. Split pin
45. Flue baffle.
46. Boiler base plate.
48. Draught diverter back panel assembly.
49. TTB downdraught thermostat & bracket.
50. Heat shield.
Mexico Super CF 3/100 shown (with the casing removed)
INSTALLATION

Related product manuals