EasyManua.ls Logo

IDROBASE Stella - Schema Elettrico

IDROBASE Stella
Print Icon
To Next Page IconTo Next Page
To Next Page IconTo Next Page
To Previous Page IconTo Previous Page
To Previous Page IconTo Previous Page
Loading...
36
5A
M
M
*
11
10
*
2
1
P2
P1
3
5
4
12
*
8
9
6
7
NA
NC
NC
NA
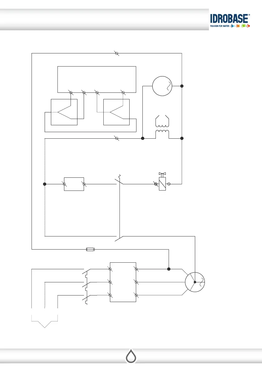
13.1 STELLA TRIFASE 400V
13  SCHEMA ELETTRICO
ALIMENTAZIONE
400 V
MOTORE
POMPA
ELETTROVALVOLA
BRUCIATORE
TRASFORMATORE
A.T.
TERMO STATO
MOTORE
CALDAIA
P1=PRESSOSTATO POMPA
P2=PRESSOSTATO A.P.
*=SCHEDA TOTAL STOP
Copyright ©2016 Idrobase Group. All rights reserved.

Table of Contents

Related product manuals