EasyManua.ls Logo

IDROBASE Stella - Page 72

IDROBASE Stella
Print Icon
To Next Page IconTo Next Page
To Next Page IconTo Next Page
To Previous Page IconTo Previous Page
To Previous Page IconTo Previous Page
Loading...
72
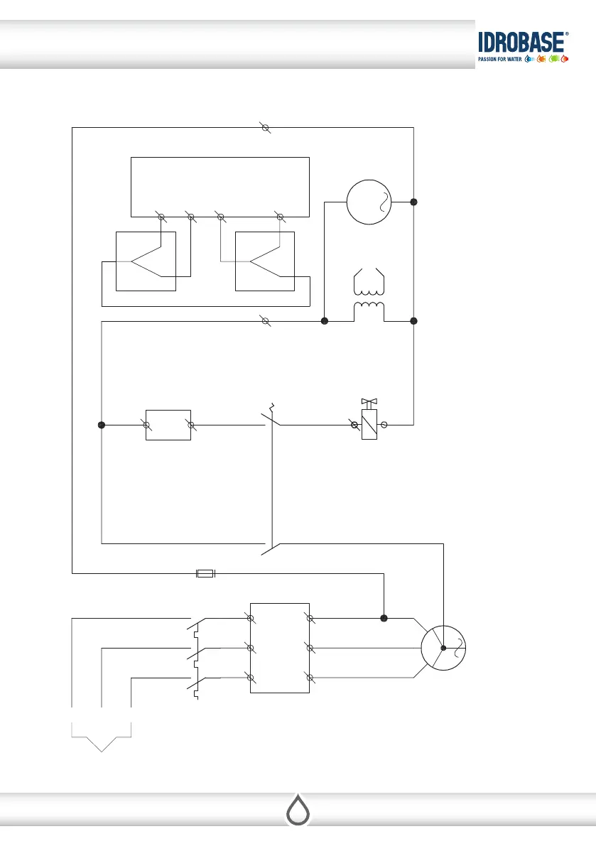
13  DIAGRAM
5A
M
M
*
11
10
*
2
1
P2
P1
3
5
4
12
*
8
9
6
7
NA
NC
NC
NA
ELECTRIC SUPPLY
400 V
PUMP
MOTOR
BURNER
SOLENOID VALVE
IGNITION
TRANSFORMER
THERM OSTAT
BURNER
MOTOR
P1=PUMP PRESSURE SWITCH
P2=PRESSURE SWITCH
*=TOTAL STOP DEVICE
Copyright ©2016 Idrobase Group. All rights reserved.

Table of Contents

Related product manuals