EasyManua.ls Logo

iLO IWF2706 - Page 29

Default Icon
60 pages
Print Icon
To Next Page IconTo Next Page
To Next Page IconTo Next Page
To Previous Page IconTo Previous Page
To Previous Page IconTo Previous Page
Loading...
7-4
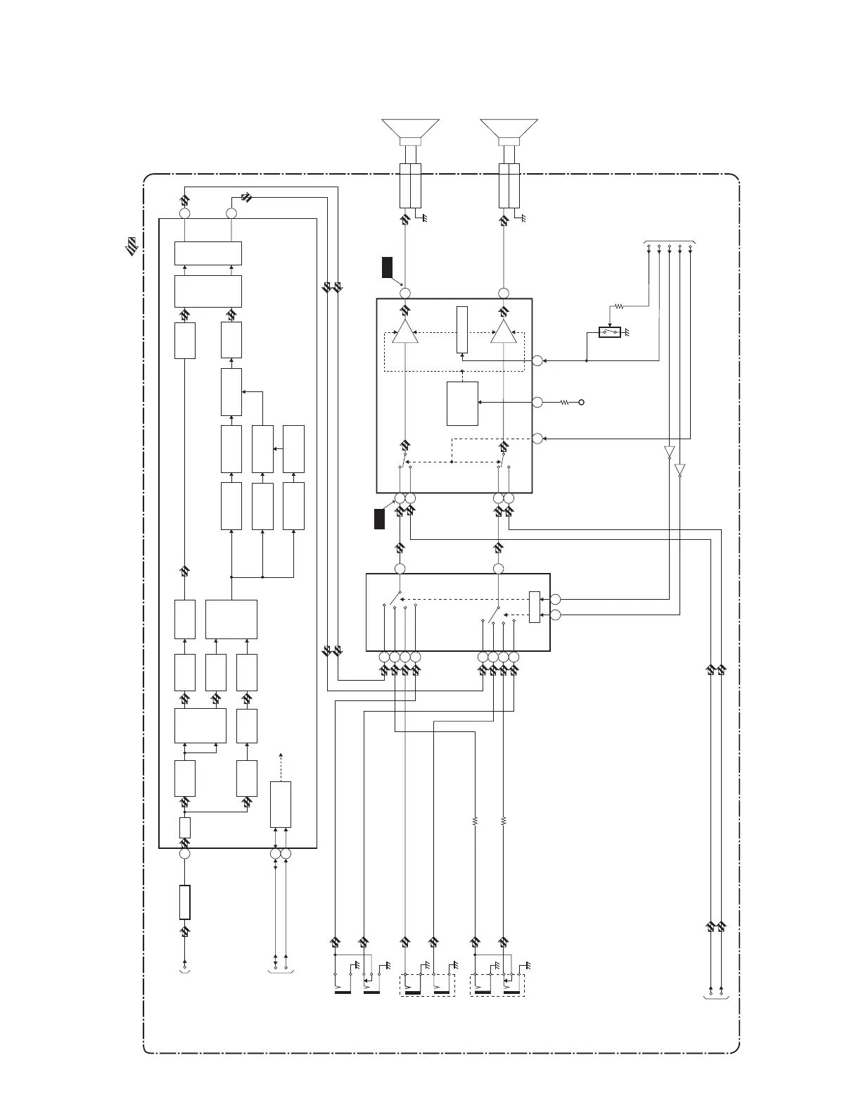
Audio Block Diagram
L4803BLA
MAIN CBA
AUDIO SIGNAL
AUDIO-MUTE1
VOLUME
TO SYSTEM
CONTROL BLOCK
TO SYSTEM
CONTROL BLOCK
INPUT0
INPUT1
SCL
SDA
IC701 (INPUT SELECT)
SW CTL
13
3
11
15
12
5
2
1
9 10
VCA
STEREO
FILTER
75uS
DE-EMPH
dBX
DE-EMPH
L+R
FILTER
WIDE BAND
FILTER
WIDE BAND
RMS DET
WIDE BAND
EXPAND
SPECTRAL
EXPAND
SPECTRAL
RMS DET
SPECTRAL
FILTER
OFFSET
CANCEL
L-CH
R-CH
MATRIX AGC
OFFSET
CANCEL
L-R
FILTER
(L-R)/SAP
SW
SAP
FILTER
I2C
DECORDER
SAP
DEMOD
SAP OUT
FILTER
29
30
TO
IF/VIDEO BLOCK
TUNER
LINE1
LINE2
LINE1
COMP
LINE2
(L-CH)
(R-CH)
21
27
24
IC451 (MTS/SAP AUDIO SIGNAL PROCESS)
AUDIO(L)-IN1
JK711
SIF
AUDIO-MUTE2
AUDIO(R)-IN1
JK702
AUDIO(L)-IN2
JK703
AUDIO(R)-IN2
OFFSET
CANCEL
COMP-
AUDIO(L)-IN
JK742
COMP-
AUDIO(R)-IN
4
TUNER
14
COMP
11
IC801 (AUDIO AMP)
7
VOLUME
14
AMP
AMP
MUTE
/STANDBY
CONTROL
3
8
(R-CH)
(L-CH)
212
Q811
+5V
WF11
SP802
SPEAKER
R-CH
CN802
SP-R 1
GND 2
SP801
SPEAKER
L-CH
CN801
CLN801
CLN802
SP-L 1
GND 2
Q61
BUFFER
TO DTV
BLOCK
DTV-AUDIO(R)
DTV-AUDIO(L)
1
6
Q352
Q351
WF12

Related product manuals