EasyManua.ls Logo

Image IMTL11990 - Page 29

Image IMTL11990
30 pages
Print Icon
To Next Page IconTo Next Page
To Next Page IconTo Next Page
To Previous Page IconTo Previous Page
To Previous Page IconTo Previous Page
Loading...
60
59
61
108
62
64
63
67
65
79
66
66
66
63
68
69
71
72
70
76
78
77
73
13
30
98
99
80
81
82
40
83
40
113
40
60
59
61
13
76
77
78
98
99
73
30
86
87
87
91
31
93
30
94
95
97
96
105
109**
106
107
104
85
108
51
40
40
110
113
92
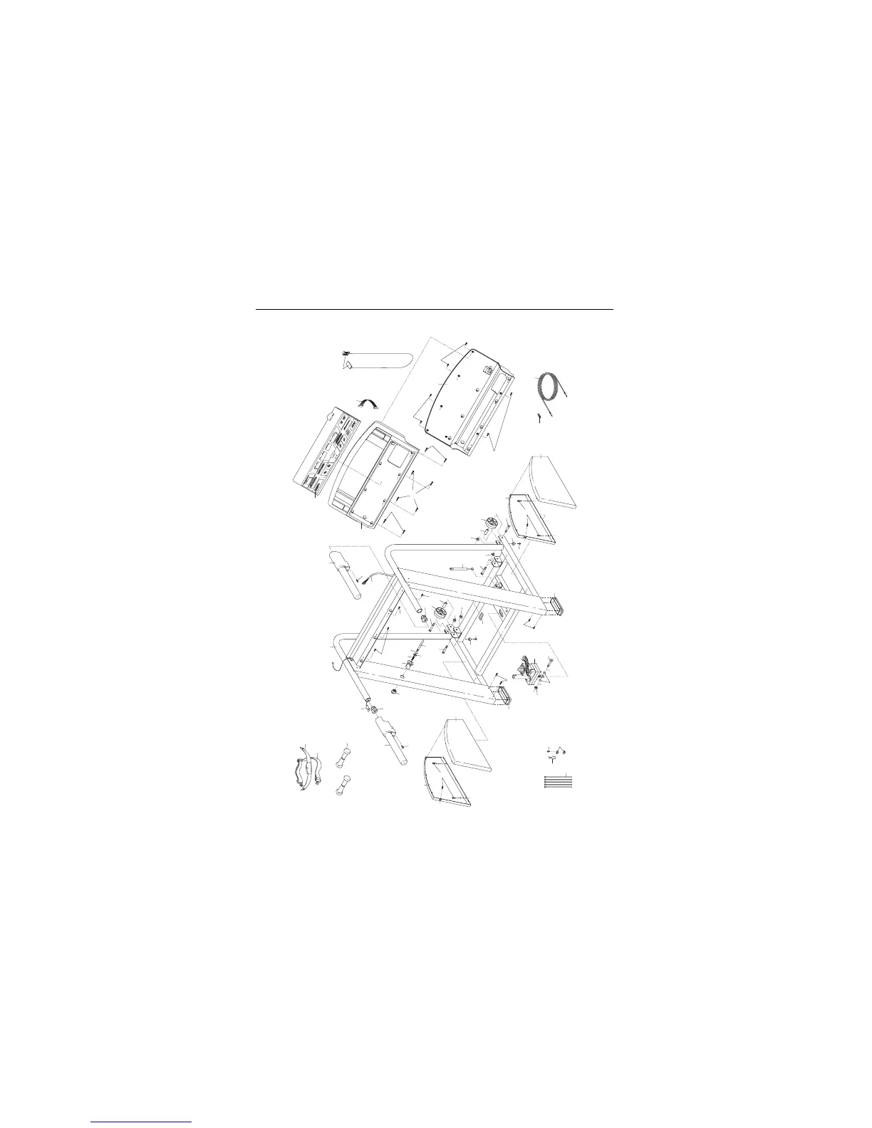
EXPLODED DRAWINGÑModel No. IMTL11990 R01099A

Related product manuals