EasyManua.ls Logo

Impex IGS-5100 - Page 19

Impex IGS-5100
33 pages
Print Icon
To Next Page IconTo Next Page
To Next Page IconTo Next Page
To Previous Page IconTo Previous Page
To Previous Page IconTo Previous Page
Loading...
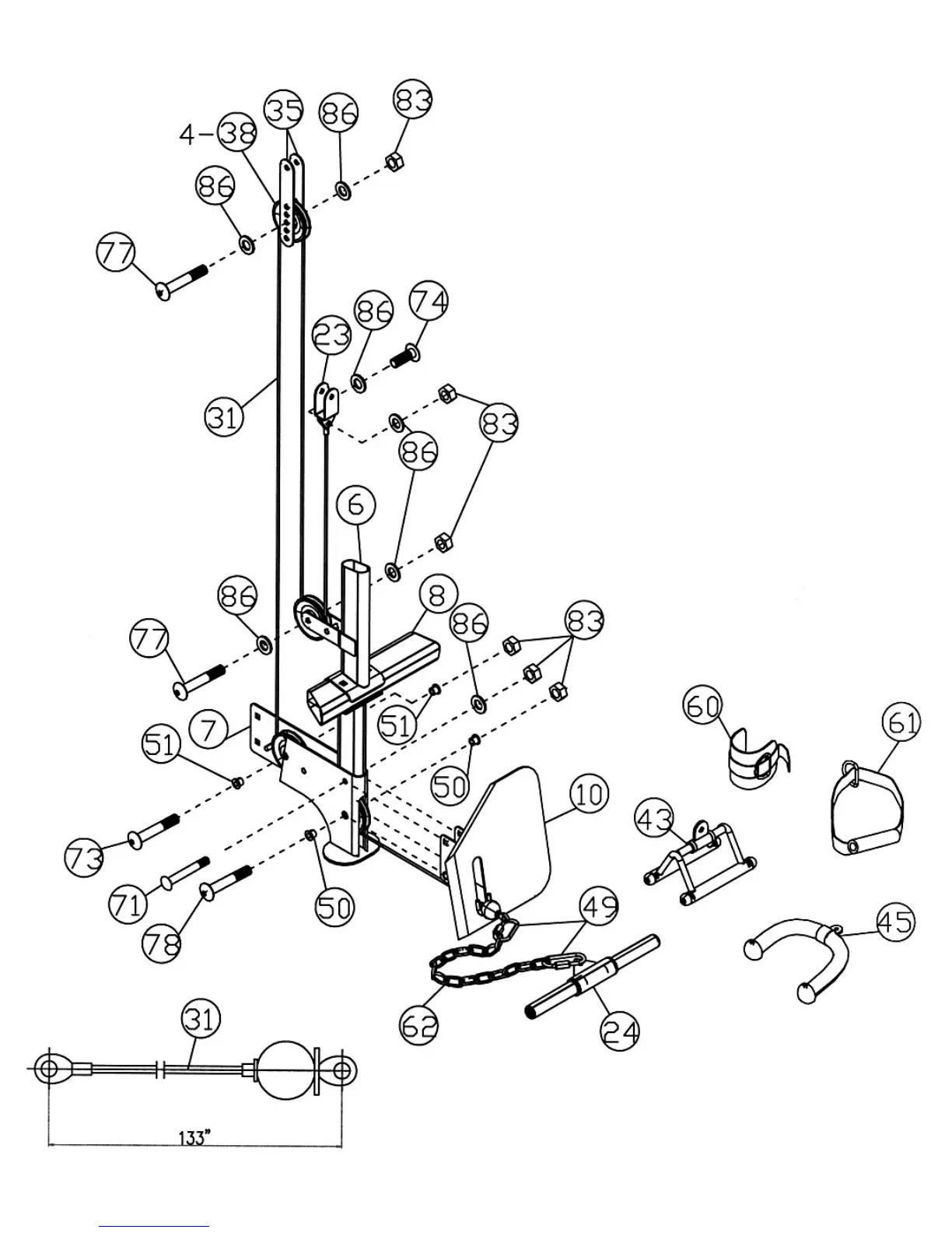
DIAGRAM 7
18

Related product manuals