EasyManua.ls Logo

In Shape CT700 - Page 21

In Shape CT700
Print Icon
To Next Page IconTo Next Page
To Next Page IconTo Next Page
To Previous Page IconTo Previous Page
To Previous Page IconTo Previous Page
Loading...
21
SE
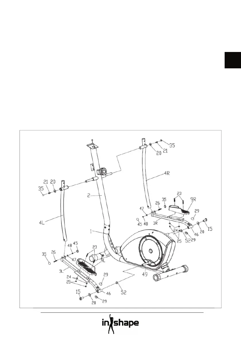
Steg 3
1. Skruva den vänstra svängstången (4L) på
axeln på styrstången (2) med en bricka
(20) och en sexkantsskruv (21). Spänn
bara sexkantsskruven med fi ngrarna.
Montera den högra svängstången (4R) på
samma sätt.
2. Skruva vänster tvärstång (3L) på vänster
pedalarm (49) med en bricka (20), en
räffl ad bricka (52) och en skruv (15). Dra
endast åt skruven för hand.
Montera höger tvärstång (3R) på samma
sätt.
3. Skruva ihop vänster svängstång (4L)
och vänster tvärstång (3L) med en
sexkantsskruv (26), en bricka (47) och en
låsmutter (48).
Skruva ihop höger svängstång (7R) och
höger tvätstång (8R) på samma sätt.
Kontrollera att alla delar sitter korrekt.
Efterdra alla anslutningar.
Sätt hättor (35, 45, 29) på skruvar och
muttrar som på bilden.
4. Skruva fast vänster fotplatta (9L)
på vänster tvärstång (3L) med
sexkantsskruvar (23), brickor (24) och
låsmuttrar (25).
Montera höger fotplatta (9R) på samma
sätt.