EasyManua.ls Logo

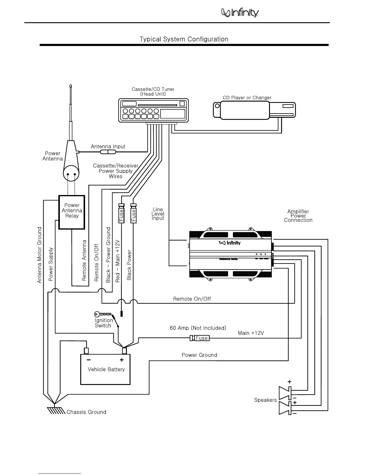
Infinity 1210a - Typical System Configuration

Infinity 1210a
34 pages
Print Icon
To Next Page IconTo Next Page
To Next Page IconTo Next Page
To Previous Page IconTo Previous Page
To Previous Page IconTo Previous Page
Loading...
Power Amplifier Reference 1210a/1211a
8

Related product manuals