EasyManua.ls Logo

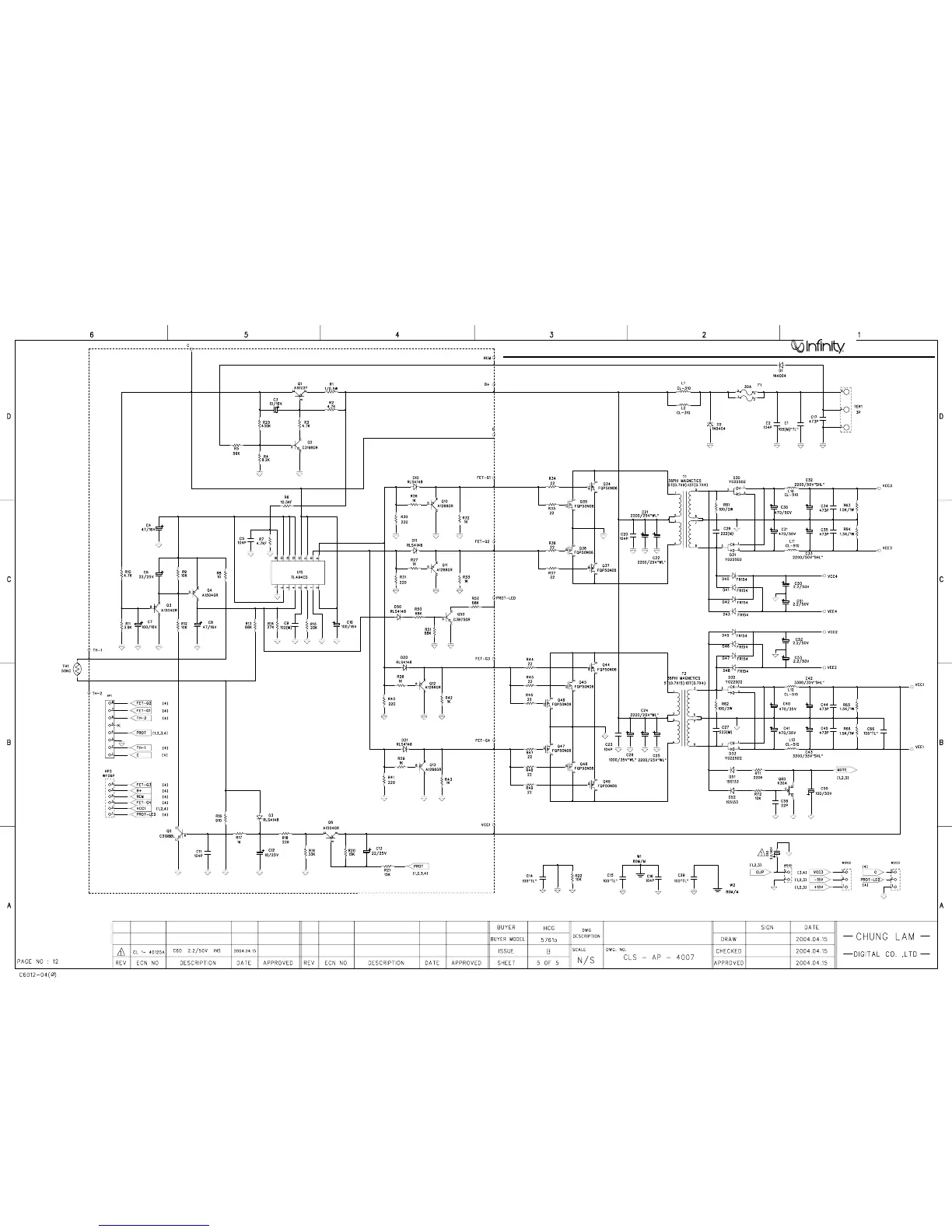
Infinity 5761A - REF 5761 A SCHEMATICS

Infinity 5761A
33 pages
Print Icon
To Next Page IconTo Next Page
To Next Page IconTo Next Page
To Previous Page IconTo Previous Page
To Previous Page IconTo Previous Page
Loading...

28
Power Amplifier Reference 5761a
PAGE 1

Other manuals for Infinity 5761A

Related product manuals