EasyManua.ls Logo

Infinity 5761A - Page 32

Infinity 5761A
33 pages
Print Icon
To Next Page IconTo Next Page
To Next Page IconTo Next Page
To Previous Page IconTo Previous Page
To Previous Page IconTo Previous Page
Loading...

31
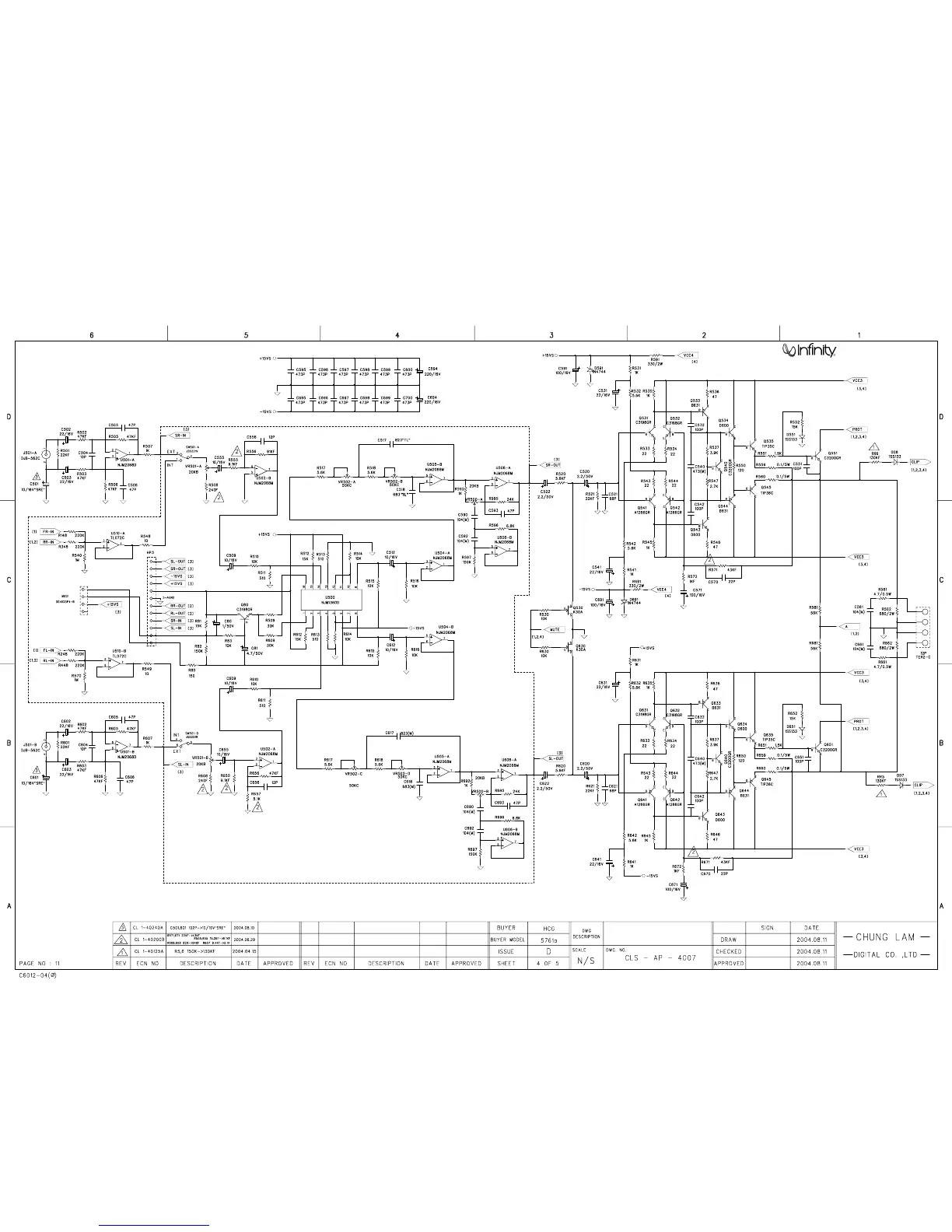
Power Amplifier
Reference 5761a
PAGE 4

Other manuals for Infinity 5761A

Related product manuals