EasyManua.ls Logo

Infinity 611A - REF 611 A SCHEMATICS

Infinity 611A
34 pages
Print Icon
To Next Page IconTo Next Page
To Next Page IconTo Next Page
To Previous Page IconTo Previous Page
To Previous Page IconTo Previous Page
Loading...

30
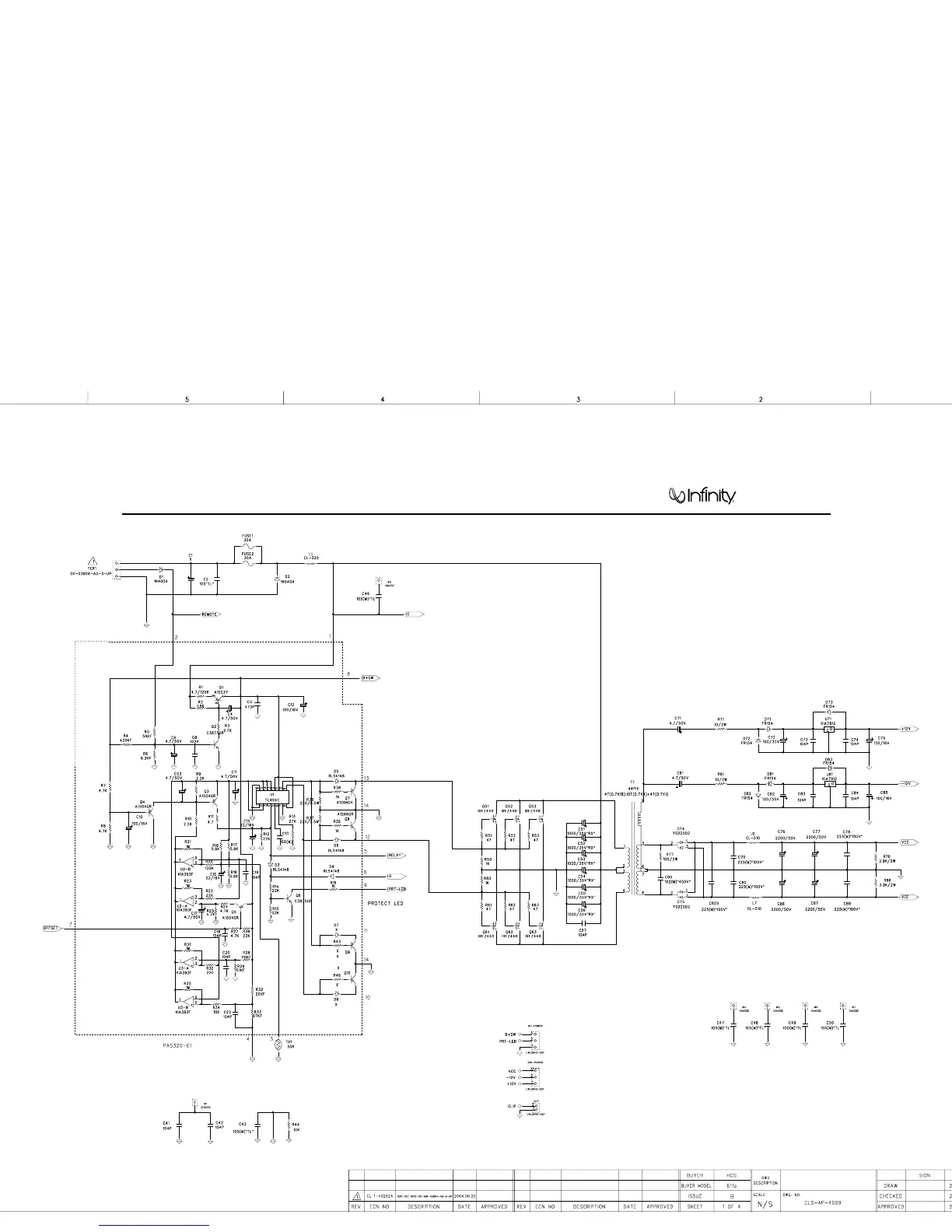
Power Amplifier Reference 611a
REF 611a SCHEMATIC PAGE 1

Other manuals for Infinity 611A

Related product manuals