EasyManua.ls Logo

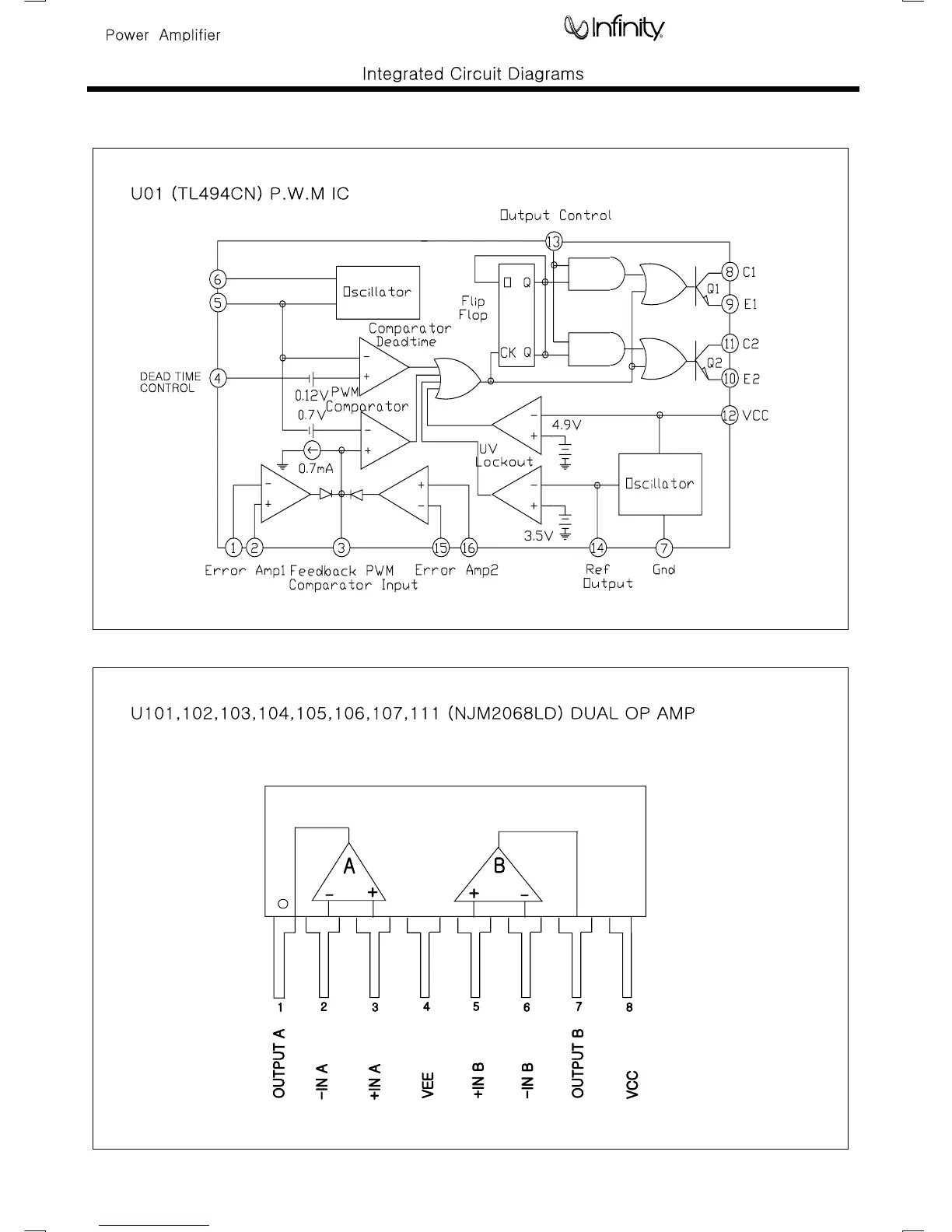
Infinity 7520a - IC;Transistor Pinouts

Infinity 7520a
25 pages
Print Icon
To Next Page IconTo Next Page
To Next Page IconTo Next Page
To Previous Page IconTo Previous Page
To Previous Page IconTo Previous Page
Loading...
Reference 7520a/7521a
18

Related product manuals