EasyManua.ls Logo

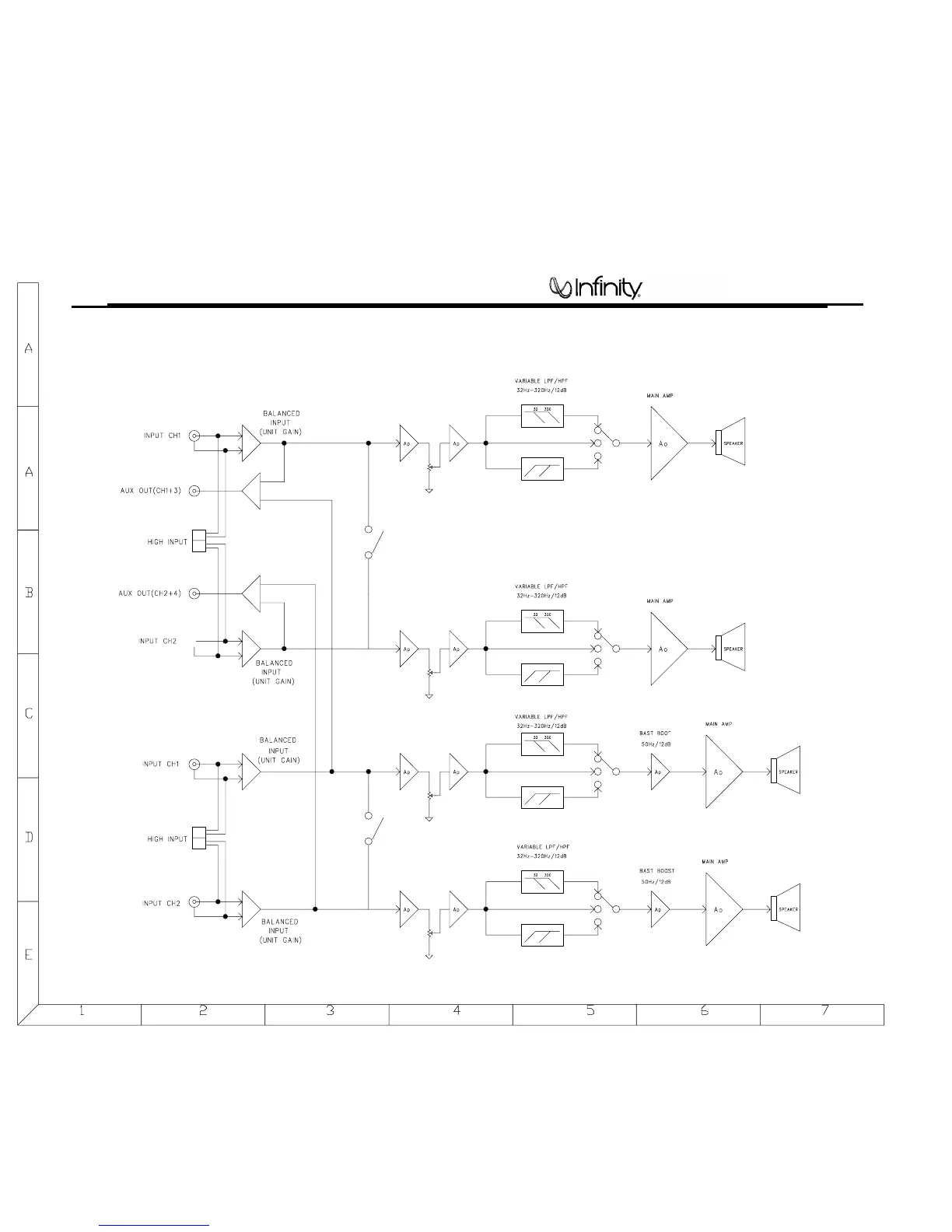
Infinity 7541A - Amplifier Block Diagram

Infinity 7541A
29 pages
Print Icon
To Next Page IconTo Next Page
To Next Page IconTo Next Page
To Previous Page IconTo Previous Page
To Previous Page IconTo Previous Page
Loading...
7540a/7541a BLOCK DIAGRAM
Power Amplifier Reference 7540a/7541a
10

Other manuals for Infinity 7541A

Related product manuals