EasyManua.ls Logo

Infinity 7541A - Specifications; 311 a Specifications; 611 a Specifications; 1211 a Specifications

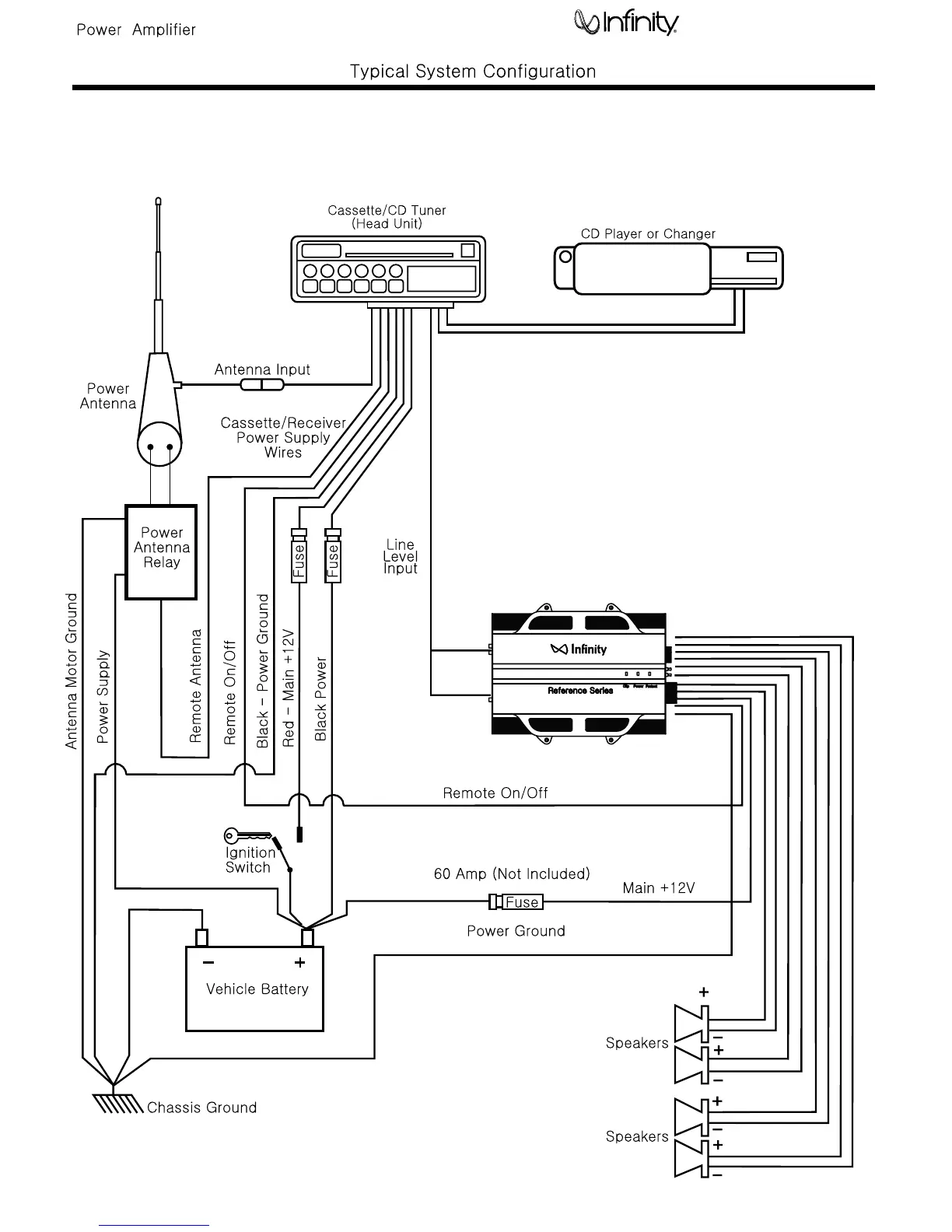
Infinity 7541A
29 pages
Print Icon
To Next Page IconTo Next Page
To Next Page IconTo Next Page
To Previous Page IconTo Previous Page
To Previous Page IconTo Previous Page
Loading...
Reference 7540a/7541a
7

Other manuals for Infinity 7541A

Related product manuals