EasyManua.ls Logo

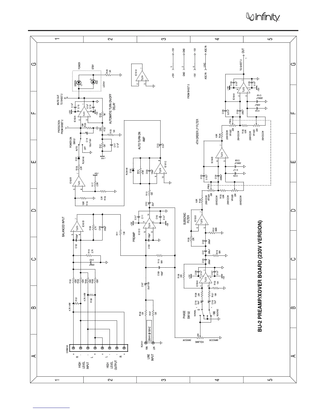
Infinity BU2 - Power Schematic (230 V)

Infinity BU2
18 pages
Print Icon
To Next Page IconTo Next Page
To Next Page IconTo Next Page
To Previous Page IconTo Previous Page
To Previous Page IconTo Previous Page
Loading...
16
Powered Subwoofer BU2
PREAMP/CROSSOVER SCHEMATIC 230V VERSION

Related product manuals