EasyManua.ls Logo

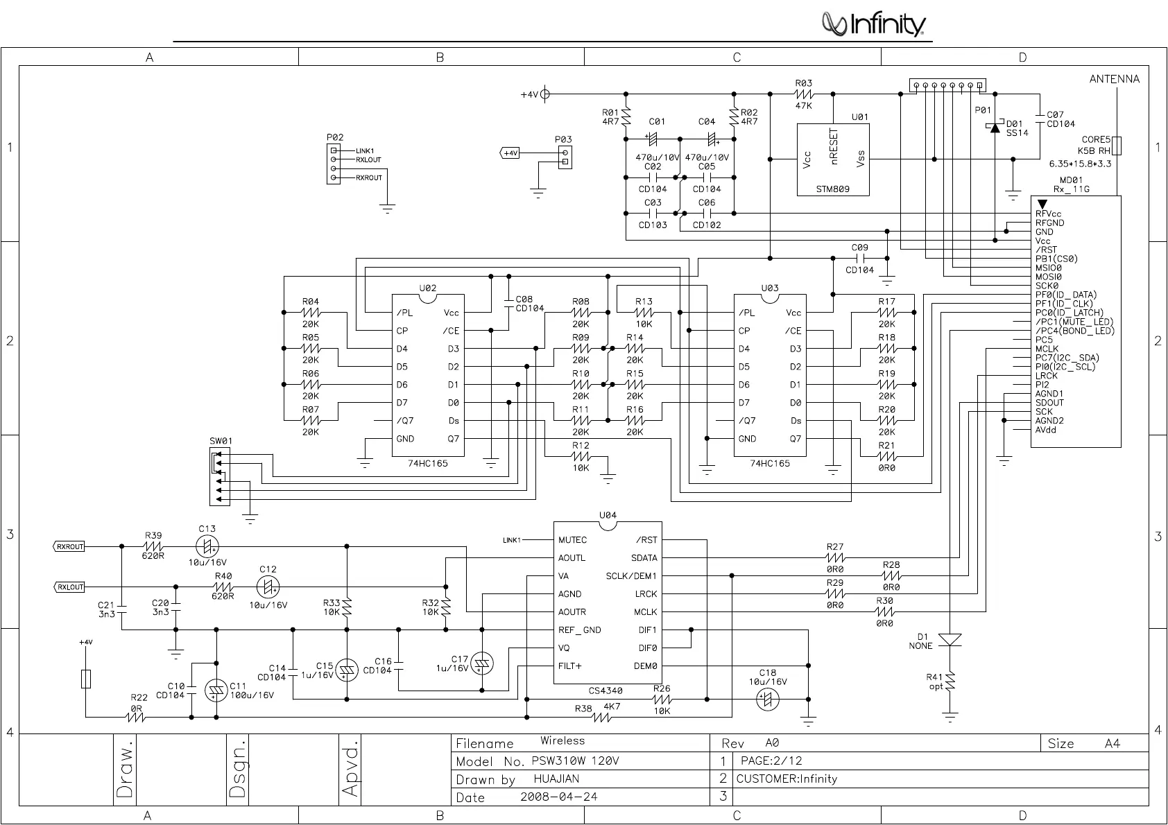
Infinity Classia Series - Wireless Section Schematic

Infinity Classia Series
58 pages
Print Icon
To Next Page IconTo Next Page
To Next Page IconTo Next Page
To Previous Page IconTo Previous Page
To Previous Page IconTo Previous Page
Loading...
L01
56R
21
52
PSW310W subwoofer Classia Series

Related product manuals