EasyManua.ls Logo

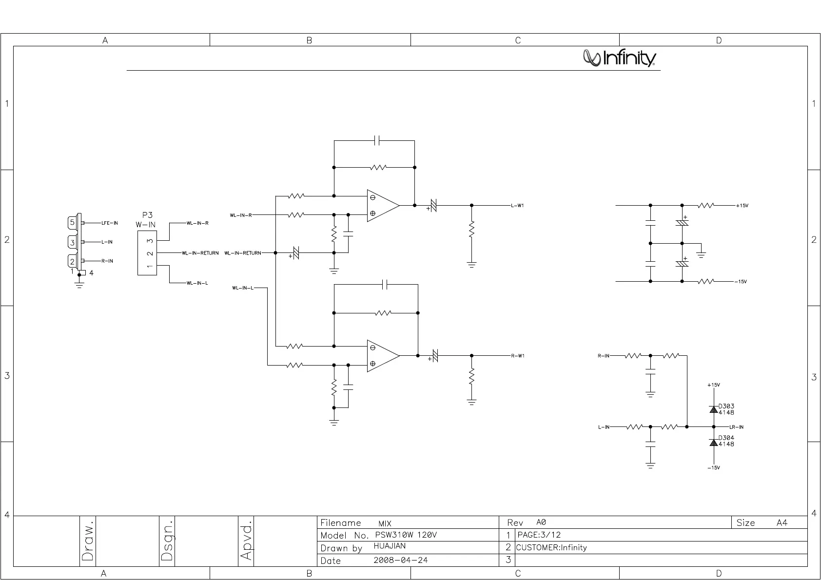
Infinity Classia Series - Mixer;Input Stage Schematic

Infinity Classia Series
58 pages
Print Icon
To Next Page IconTo Next Page
To Next Page IconTo Next Page
To Previous Page IconTo Previous Page
To Previous Page IconTo Previous Page
Loading...
C331
100P
5K1
R323
C310
10u
R331
10K
C311
10u
220P
C305
100R
R314
C304
220P
C322
104z
VEE
U109:D
VDD
U109:C
220R
R333
220R
R332
JK1
C332
100P
5K1
R321
100P
C318
R330
10K
C320
104z
100R
R315
5K1
R318
5K1
R322
2
3
1
TL-072
U109:A
5K1
R316
100P
C319
22u
C312
5K1
R317
5K1
R319
6K8
R300
100u
C328
5K1
R320
100u
C327
6K8
R301
6
5
7
TL-072
U109:B
53
PSW310W subwoofer Classia Series

Related product manuals