EasyManua.ls Logo

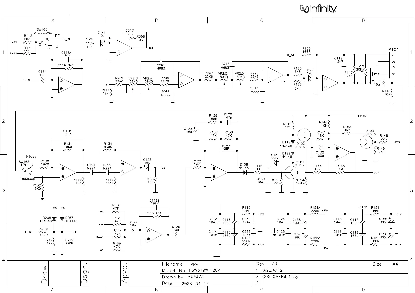
Infinity Classia Series - Input;Output Stage Schematic

Infinity Classia Series
58 pages
Print Icon
To Next Page IconTo Next Page
To Next Page IconTo Next Page
To Previous Page IconTo Previous Page
To Previous Page IconTo Previous Page
Loading...
6
5
7
TL-072
U101:B
VEE
U101:D
VDD
U108:C
VEE
U102:F
VEE
U103:D
5
6
7
TL074
U102:B
3
2
1
TL074
U102:A
2
3
1
TL-072
U108:A
VEE
U108:D
VDD
U101:C
6
5
7
TL-072
U103:B
VDD
U102:E
12
13
14
TL074
U102:D
2
3
1
U101:A
TL-072
6
5
7
TL-072
U108:B
2
3
1
TL-072
U103:A
VDD
U103:C
10
9
8
TL074
U102:C
54
PSW310W subwoofer Classia Series

Related product manuals