EasyManua.ls Logo

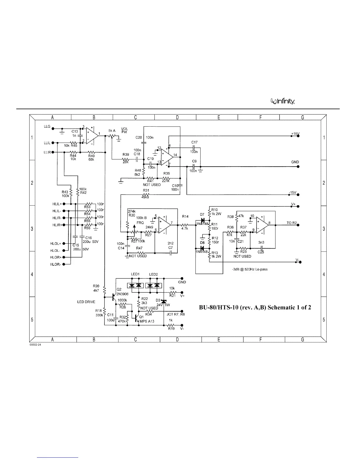
Infinity HTS-10 - Schematic Diagram - Part 1

Infinity HTS-10
34 pages
Print Icon
To Next Page IconTo Next Page
To Next Page IconTo Next Page
To Previous Page IconTo Previous Page
To Previous Page IconTo Previous Page
Loading...
Amplifier/Subwoofer
BU-80/HTS-10
25
BU-80/HTS-10 (rev. A, B) SCHEMATIC 1 OF 2

Related product manuals