EasyManua.ls Logo

Infinity Interlude IL60 - Il60 Schematics

Infinity Interlude IL60
41 pages
Print Icon
To Next Page IconTo Next Page
To Next Page IconTo Next Page
To Previous Page IconTo Previous Page
To Previous Page IconTo Previous Page
Loading...
35
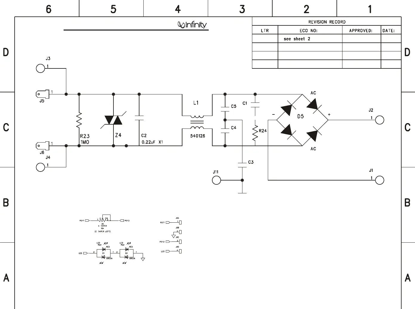
IL60
500W EMI/Volume PCB's

Other manuals for Infinity Interlude IL60

Related product manuals