EasyManua.ls Logo

Infinity kappa series

Infinity kappa series
32 pages
To Next Page IconTo Next Page
To Next Page IconTo Next Page
To Previous Page IconTo Previous Page
To Previous Page IconTo Previous Page
Loading...
1 2 3 4 5 6 78
A
B
C
D
8
7654321
D
C
B
A
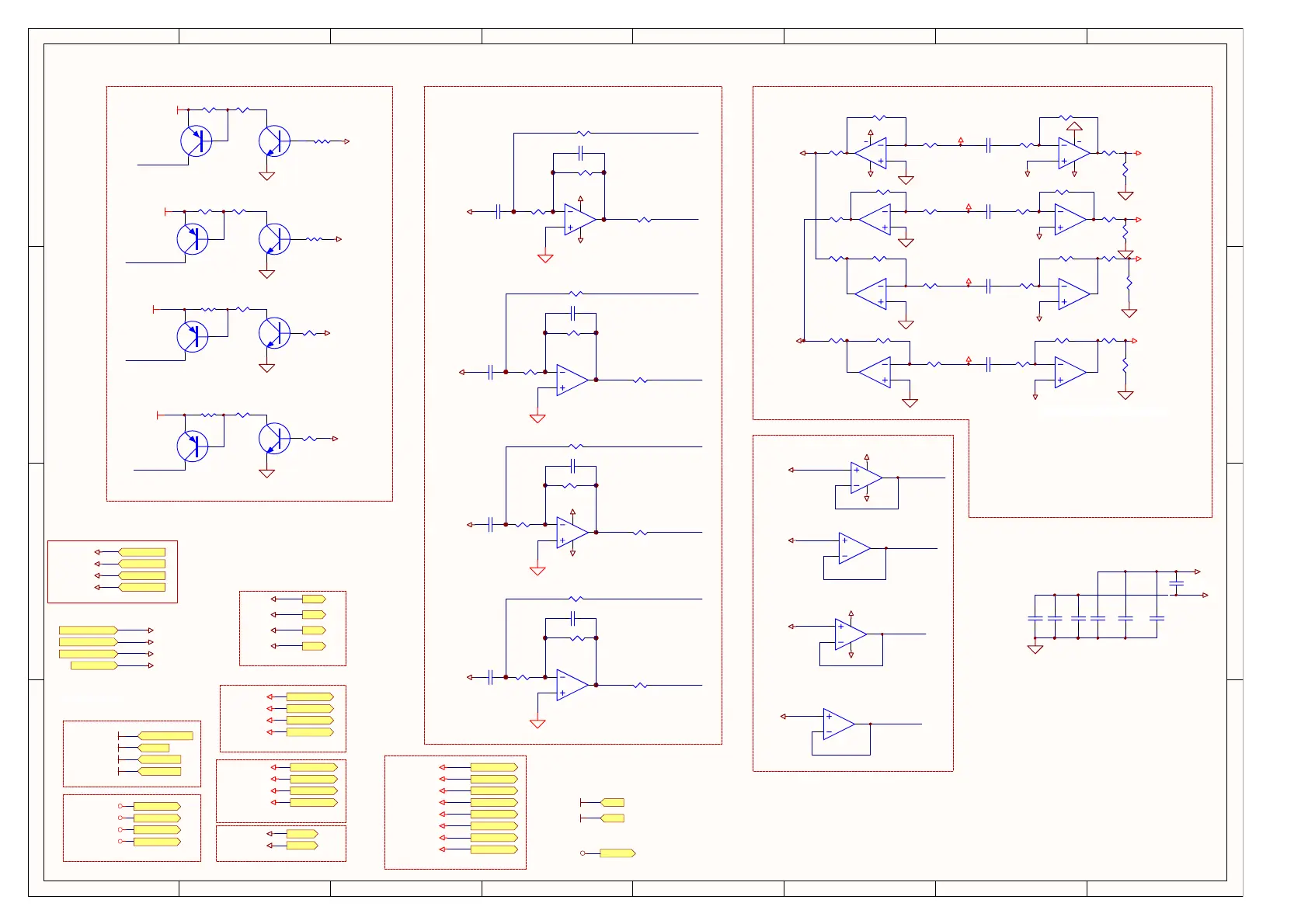
R267
1K
R269
47K
B
CE
Q1B
2SC1815
+12V
Clari-Fi LED
R367
1K
R369
47K
B
CE
Q1C
2SC1815
+12V
Party Mode LED
R167
1K
R169
47K
B
CE
Q1A
2SC1815
+12V
BT LED
APJ2)34(H12)toBL)24
R467
1K
R469
47K
B
CE
Q1D
2SC1815
+12V
POWER LED
2
3
1
8 4
U104A
JRC4580
6
5
7
U104B
JRC4580
2
3
1
8 4
U110A
JRC4580
6
5
7
U110B
JRC4580
2
3
4
1
11
+
U111A
TL074
6
5
7
U111B
TL074
9
10
8
U111C
TL074
13
12
14
U111D
TL074
HPOUT3 FR
HPOUT3 FL
HPOUT2 RL
HPOUT2 RR
R461
10K
R462
10K
R361
10K
R362
10K
R261
10K
R262
10K
R161
10K
R162
10K
DSP_OUT_FL
DSP_OUT_FR
DSP_OUT_RL
DSP_OUT_RR
-12V
+12V
+12V
-12V
-12V
+12V
PRE_OL
PRE_OR
PAGE 6/19
DSP_OUT_FL
DSP_OUT_FR
DSP_OUT_RL
DSP_OUT_RR
DSP_OUT_FL
DSP_OUT_FR
DSP_OUT_RL
DSP_OUT_RR
R163
1K
R263
1K
R363
1K
R463
1K
BT LED-40
POWER LED-43
Clari-Fi LED-44
Party Mode LED-45
Party Mode LED
BT LED
Clari-Fi LED
POWER LED
Party Mode LED
BT LED
Clari-Fi LED
POWER LED
PAGE 15/19
PRE_OL
PRE_OR
PRE_OL
PRE_OR
PAGE 15/19
2
3
4
1
11
+
U112A
NC
6
5
7
U112B
NC
9
10
8
U112C
NC
13
12
14
U112D
NC
R464
3.9K
R465
0R
R364
3.9K
R365
0R
R264
3.9K
R265
0R
R164
3.9K
R165
0R
MCU+3.3V
R166
0R
R266
0R
R366
0R
R466
0R
Q2A
2SA1015
Q2B
2SA1015
Q2C
2SA1015
Q2D
2SA1015
R168
1.2K
R268
1.2K
R368
1.2K
R468
1.2K
PAGE 6/19 to 输出幅度检测
ADC_LED_FL1
ADC_LED_FR1
ADC_LED_RL1
ADC_LED_RR1
ADC_LED_FL1
ADC_LED_FR1
ADC_LED_RL1
ADC_LED_RR1
AD1/2VCC
AD1/2VCC
AD1/2VCC
AD1/2VCC
C151
225P
C251
225P
C351
225P
C451
225P
PAGE 7/19 to 输出幅度检测
ADC_LED_FL
ADC_LED_FR
ADC_LED_RL
ADC_LED_RR
ADC_LED_FL
ADC_LED_FR
ADC_LED_RL
ADC_LED_RR
ADC_LED_FL1
ADC_LED_FR1
ADC_LED_RL1
ADC_LED_RR1
ADC_LED_FL
ADC_LED_FR
ADC_LED_RL
ADC_LED_RR
R112
10K
R113
10K
2
3
1
84
U101A
JRC4580
R115
0R
-12V
+12V
C108
106P
R114
0R
C109
47P
FL_DSP_INP
FL_DSP_INN
R212
10K
R213
10K
6
5
7
U101B
JRC4580
R215
0R
C208
106P
R214
0R
C209
47P
FR_DSP_INP
FR_DSP_INN
R312
10K
R313
10K
2
3
1
84
U301A
JRC4580
R315
0R
-12V
+12V
C308
106P
R314
0R
C309
47P
RL_DSP_INP
RL_DSP_INN
R412
10K
R413
10K
6
5
7
U301B
JRC4580
R415
0R
R414
0R
C409
47P
RR_DSP_INP
RR_DSP_INN
PAGE 15/19 to APJ2B
FL_DSP_INN
FL_DSP_INP
FR_DSP_INP
FR_DSP_INN
RL_DSP_INP
RL_DSP_INN
RR_DSP_INP
RR_DSP_INN
FL_DSP_INN
FL_DSP_INP
FR_DSP_INP
FR_DSP_INN
RL_DSP_INP
RL_DSP_INN
RR_DSP_INP
RR_DSP_INN
C408
106P
FL-VR
FR-VR
RL-VR
RR-VR
FL-VR
FR-VR
RL-VR
RR-VR
PAGE 15/19
FL-VR
FR-VR
RL-VR
RR-VR
HPOUT3 FR
HPOUT3 FL
HPOUT2 RL
HPOUT2 RR
HPOUT3 FL
HPOUT3 FR
HPOUT2 RL
HPOUT2 RR
PAGE 15/19
PAGE 7/19
BT LED-40
Party Mode LED-45
Clari-Fi LED-44
POWER LED-43 POWER LED-43
Clari-Fi LED-44
Party Mode LED-45
BT LED-40
MCU+3.3V MCU+3.3V
PAGE 7/19
+12V
-12V
+12V
-12V
C29
104P
C30
104P
C31
104P
C32
104P
C33
104P
C34
104P
C35
104P
+12V
-12V
R43N
10K
R42N
10K
R41N
10K
R40N
10K
GTR-104/K4 ADC_LED DET

Other manuals for Infinity kappa series

Related product manuals