EasyManua.ls Logo

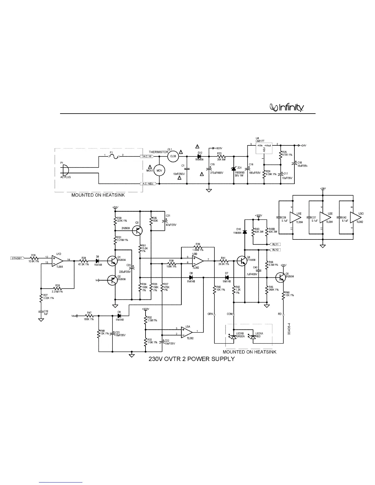
Infinity Overture 2 - 230 V System Schematics; 230 V Power Supply Schematic

Infinity Overture 2
35 pages
Print Icon
To Next Page IconTo Next Page
To Next Page IconTo Next Page
To Previous Page IconTo Previous Page
To Previous Page IconTo Previous Page
Loading...
230V Power Supply
Overture 2
33

Related product manuals