EasyManua.ls Logo

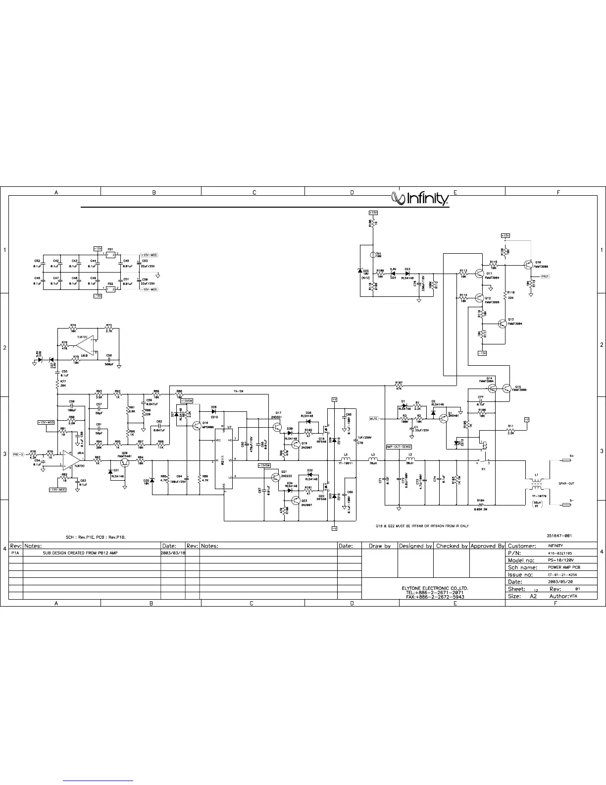
Infinity PS-10 - PS-10 Schematic Diagrams

Infinity PS-10
33 pages
Print Icon
To Next Page IconTo Next Page
To Next Page IconTo Next Page
To Previous Page IconTo Previous Page
To Previous Page IconTo Previous Page
Loading...
音 律 電 子 股 份 有 限 公 司音 律 電 子 股 份 有 限 公 司
PS-10/PS-12
PS-10 SCHEMATICS

Other manuals for Infinity PS-10

Related product manuals