EasyManua.ls Logo

Infinity PS-10 - Page 33

Infinity PS-10
33 pages
Print Icon
To Previous Page IconTo Previous Page
To Previous Page IconTo Previous Page
Loading...
音 律 電 子 股 份 有 限 公 司音 律 電 子 股 份 有 限 公 司
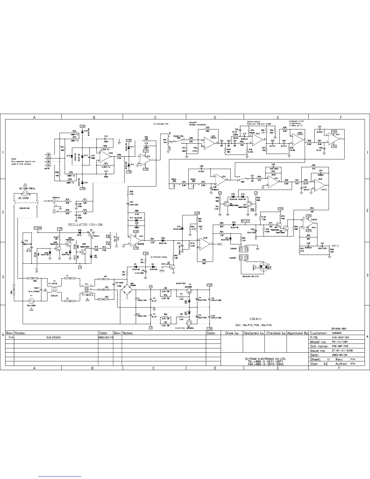
PS-12 SCHEMATICS (CONT'D)

Other manuals for Infinity PS-10

Related product manuals