EasyManua.ls Logo

Infinity PS-12 - PS-12 Schematic Diagrams (Continued)

Infinity PS-12
33 pages
Print Icon
To Previous Page IconTo Previous Page
To Previous Page IconTo Previous Page
Loading...
音 律 電 子 股 份 有 限 公 司音 律 電 子 股 份 有 限 公 司
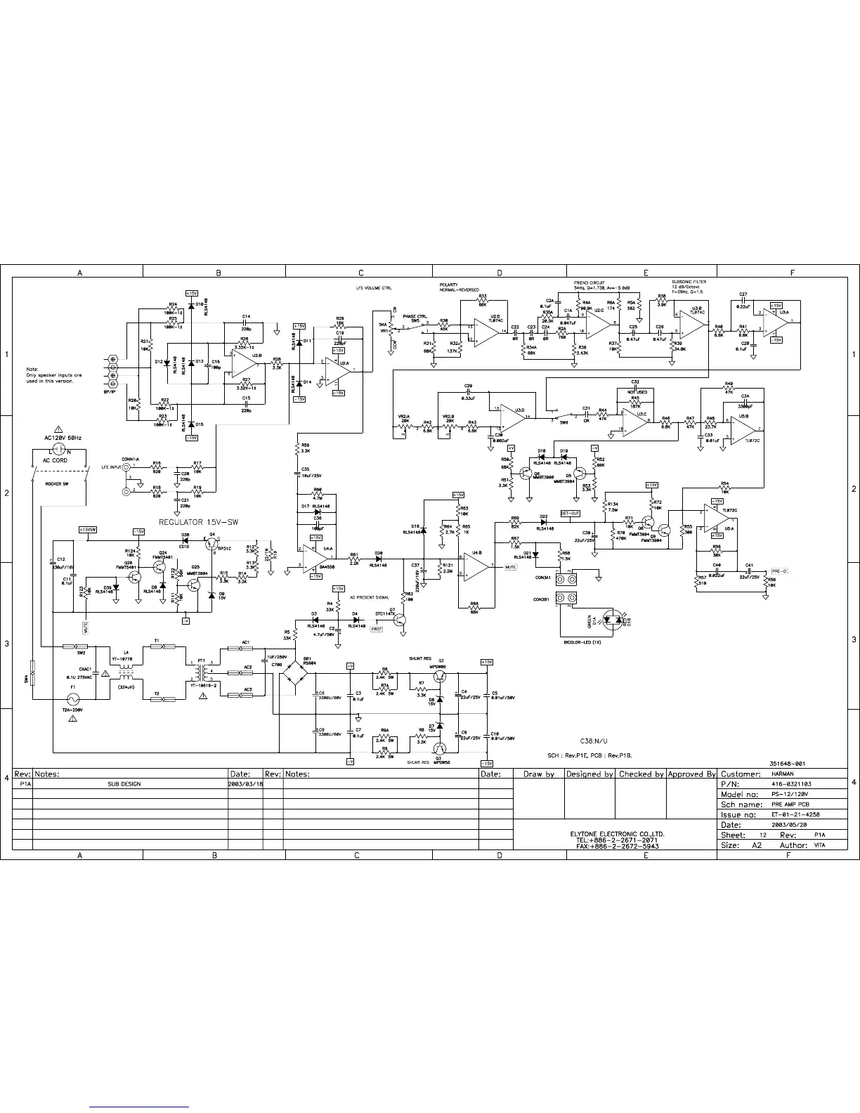
PS-12 SCHEMATICS (CONT'D)

Other manuals for Infinity PS-12

Related product manuals