EasyManua.ls Logo

Inovance Easy320 - SOURCE input wiring; 3.3 Wiring of Output Terminals

Inovance Easy320
40 pages
To Next Page IconTo Next Page
To Next Page IconTo Next Page
To Previous Page IconTo Previous Page
To Previous Page IconTo Previous Page
Loading...
31
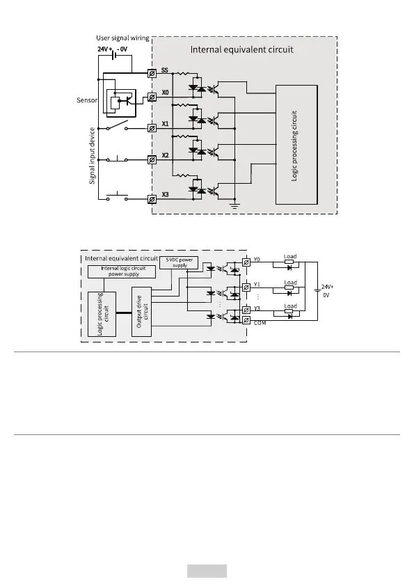
SOURCE input wiring
3.3 Wiring of Output Terminals
Note
Connect a flywheel diode when connecting the external inductive load. Diodes can be
1N4001 or similar.

Related product manuals