EasyManua.ls Logo

Inovance H3U-3232MT - Page 18

Inovance H3U-3232MT
45 pages
Print Icon
To Next Page IconTo Next Page
To Next Page IconTo Next Page
To Previous Page IconTo Previous Page
To Previous Page IconTo Previous Page
Loading...
3 Wiring
- 17 -
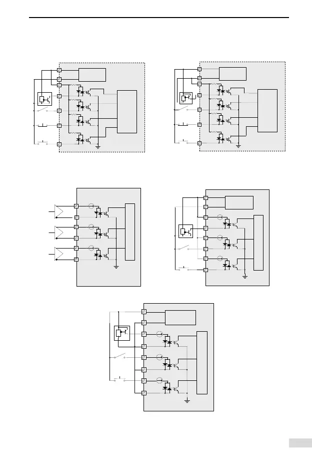
3.2.2 Hi-speed Input Wiring
24V+
24V-
24V
0V
X0
X1
X2
Xn
Sensor
S/S
24V+
24V-
24V
0V
X0
X1
X2
Xn
Sensor
S/
S
Logic processing unit
Logic processing unit
24 VDC output
24 VDC output
User signal wiring User signal wiring
Various signal input devices
Various signal input devices
Equivalent circuit in
PLC main module
Equivalent circuit in
PLC main module
Sink input wiring Source input wiring
3.2.3 Di󶍽erential Input Wiring
Logic processing
unit
Equivalent circuit in
PLC main module
Ax+
Ax-
Bx+
Bx-
PGx+
PGx-
Standard wiring
Logic processing
unit
Equivalent circuit
in PLC main
module
Ax+
Ax-
Bx+
Bx-
PGx+
PGx-
24 VDC
auxiliary
power
24V+
24V-
24V
COM
Sensor
User signal
wiring
Various signal input devices
Sink input wiring
Logic processing
unit
Equivalent circuit
in PLC main
module
Ax+
Ax-
Bx+
Bx-
PGx+
PGx-
24 VDC
auxiliary
power
24V+
24V-
24V
COM
User signal
wiring
Various signal input devices
Sensor
Source input wiring

Related product manuals