EasyManua.ls Logo

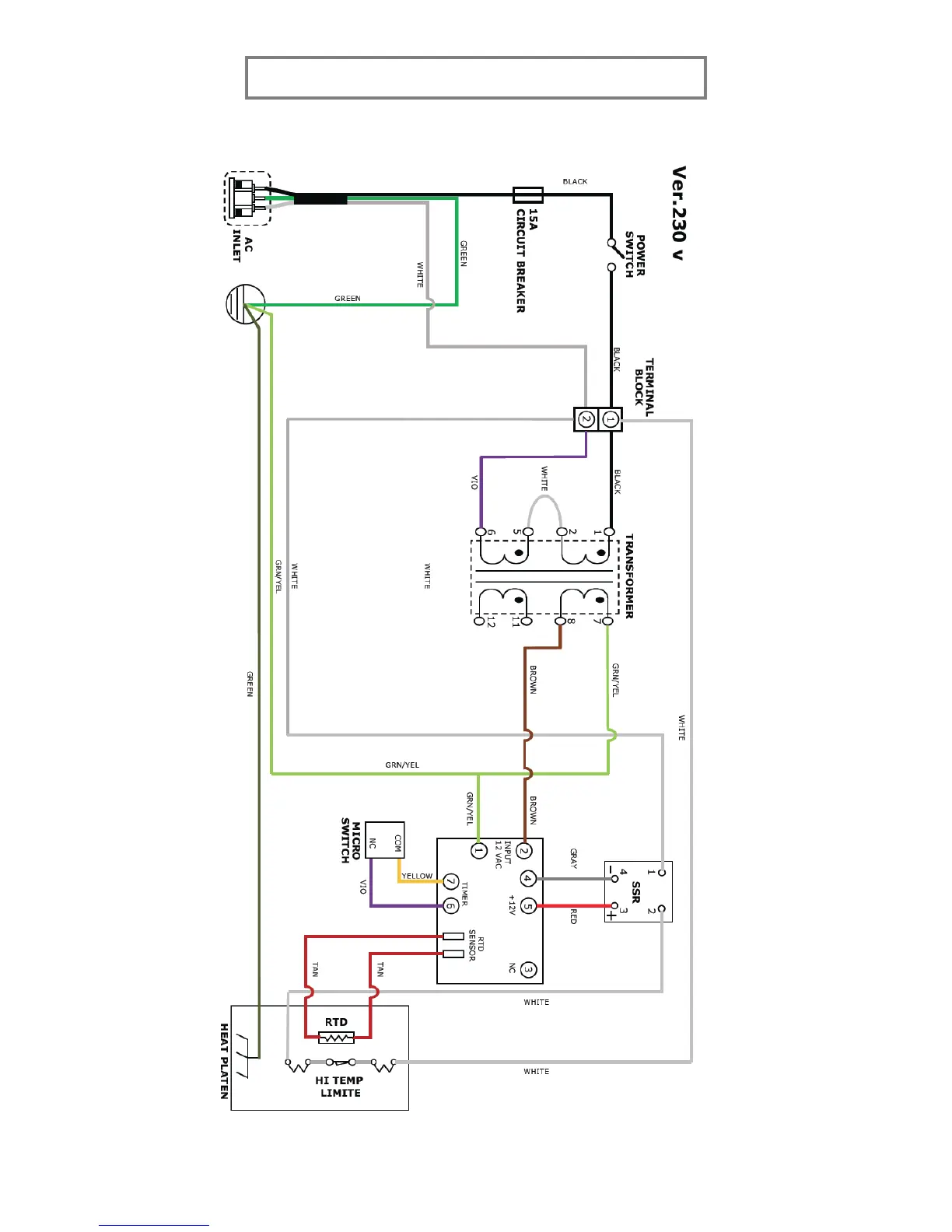
Insta 256 Series - MODEL 256-N WIRING DIAGRAM

Insta 256 Series
28 pages
Print Icon
To Next Page IconTo Next Page
To Next Page IconTo Next Page
To Previous Page IconTo Previous Page
To Previous Page IconTo Previous Page
Loading...
11
FOR USE BY QUALIFIED PERSONNEL ONLY
MODEL
256
-
N
WIRING DIAGRAM