EasyManua.ls Logo

Intec Force 1 - Electrical Drawings

Intec Force 1
55 pages
Print Icon
To Next Page IconTo Next Page
To Next Page IconTo Next Page
To Previous Page IconTo Previous Page
To Previous Page IconTo Previous Page
Loading...
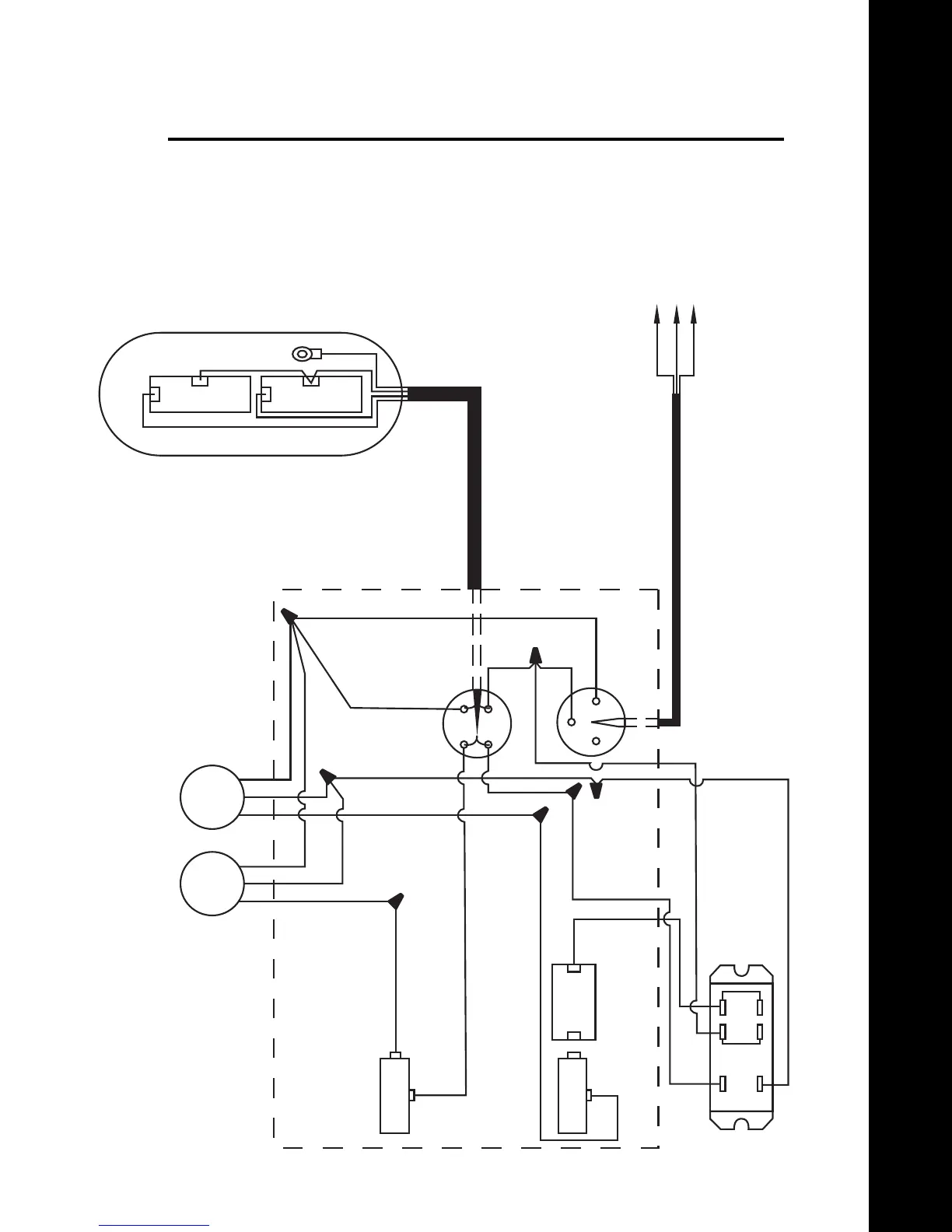
FORCE/1
Electrical Drawings (Cont’d)
ELECTRICAL DRAWINGS
Electrical Wiring Diagram
Mfg. from 1/2011 - Present
BLK WHT
WHT
WHT
WHT
BLK
WHT
BLK
BLK
RED
GRN
GRN
GRN
GRN
RED
RED
RED
REMOTE
CORD
AGIT, TOGGLE
SWITCH, 20 AMP
15 AMP
CIRCUIT
BREAKER
ELECTRICAL PANEL
1
0
8
4
6
2
RELAY T92P7A22-120
( MOUNTED TO THE BASE
UNDER ELECTRICAL PANEL)
BLOWER TOGGLE
SWITCH, 20 AMP
BLOWER
MOTOR 96 CFM
AGITATOR
MOTOR 3/4 HP
POWER
CORD
16/4, 100’ LONG
14/3, 50’ LONG
HOT (BLK)
NET (WHT)
GRD (GRN)
120 VAC
60 HZ
BLOWER
SW
AGITATOR
SW
BLK
GRN
WHT
RED

Related product manuals