EasyManua.ls Logo

Intel 80386 - Page 87

Intel 80386
308 pages
Print Icon
To Next Page IconTo Next Page
To Next Page IconTo Next Page
To Previous Page IconTo Previous Page
To Previous Page IconTo Previous Page
Loading...
COPROCESSOR HARDWARE INTERFACE
32
MHz
CLOCK GENERATOR
~
~
~
oJ
.-
"-
-
-
-
-
-
-
I I
l l 1 1
X1
X2
EFI FIC#
ADi?O#
82384
CLK2
RES#
CLK
RESET
ADS#
t
HLDA
DIC#
RESET
LOCK#
READY#
BEO#-BE3#
CLK2
BS16#
MIIO#
NA#
A31
HOLD
A30-A3
INTR
A2
80386
NMI
WIR#
ADS#
00-031
BUSY#
ERROR"
PEREa
FROM OTHER PERIPHERALS
~>-
-
80387
..
CLOCK
GENERATOR
(OPTIONAL)
-
WAIT STATE
-
GENERATOR
(OPTIONAL)
AND
OR
LOGIC
f----
r---
r---
r---
32
(5·2) 80386-80387 PSEUDO SYNCHRONOUS
HARDWARE INTERFACE
CKM
387CLK2
386CLK2
RESET
IN
READY#
READYO#
NPS1#
NPS2
CMD#
WIR#
ADS#
00-031
BUSY#
ERROR#
PEREa
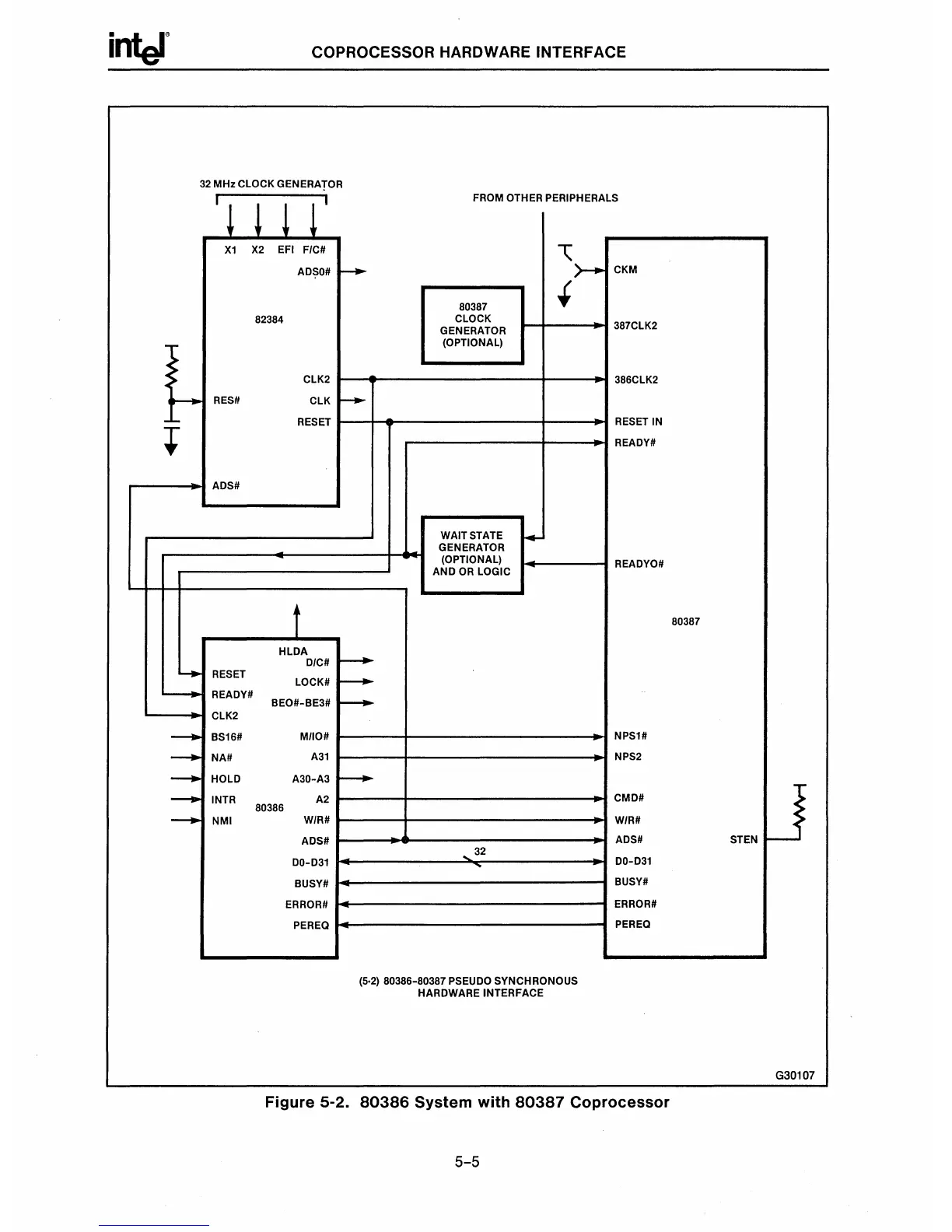
Figure
5-2.
80386
System with
80387
Coprocessor
5-5
80387
?
>
STEN
-
G30107

Other manuals for Intel 80386

Related product manuals