EasyManua.ls Logo

Inter-m A-120 - Block Diagram

Inter-m A-120
15 pages
Print Icon
To Next Page IconTo Next Page
To Next Page IconTo Next Page
To Previous Page IconTo Previous Page
To Previous Page IconTo Previous Page
Loading...
8
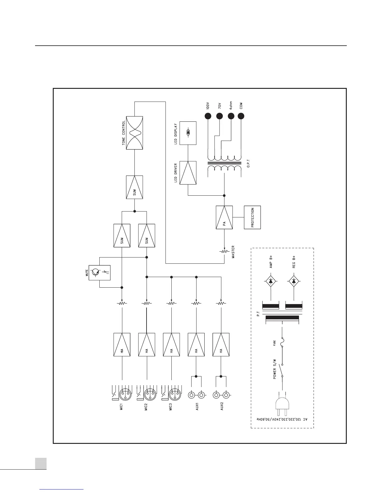
A-60/120
PUBLIC ADDRESS AMPLIFIER
Block Diagram
Block Diagram

Other manuals for Inter-m A-120

Related product manuals