EasyManua.ls Logo

Inter-m IMS-9000 - Block Diagram

Inter-m IMS-9000
12 pages
Print Icon
To Next Page IconTo Next Page
To Next Page IconTo Next Page
To Previous Page IconTo Previous Page
To Previous Page IconTo Previous Page
Loading...
7
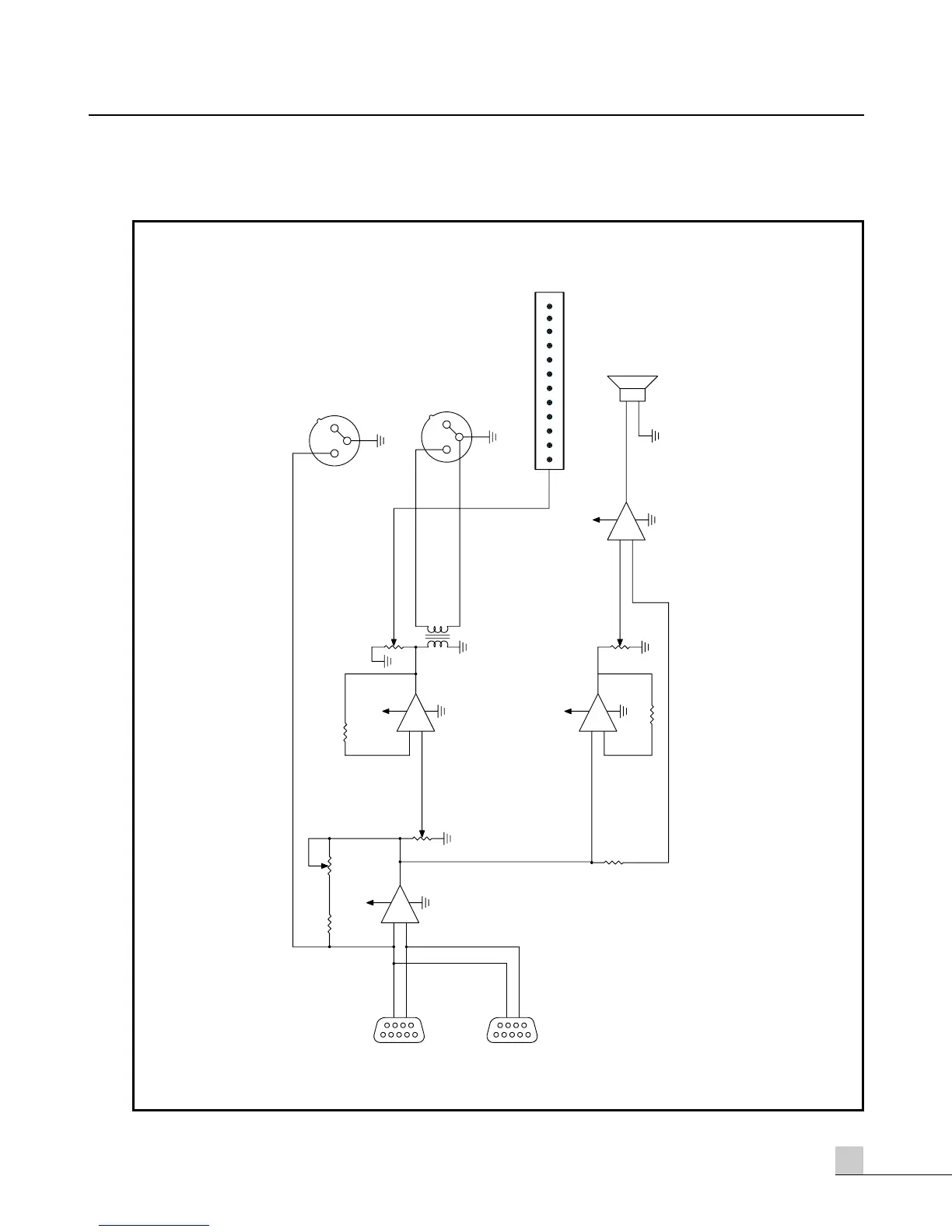
IMS-9000
MICROPHONE CONTROLLER
Block Diagram
Block Diagram
AUX IN
PA OU T
MONI SP
VCC
VCC
VCC
VCC
CN1
CN1
LEVEL

Related product manuals