EasyManua.ls Logo

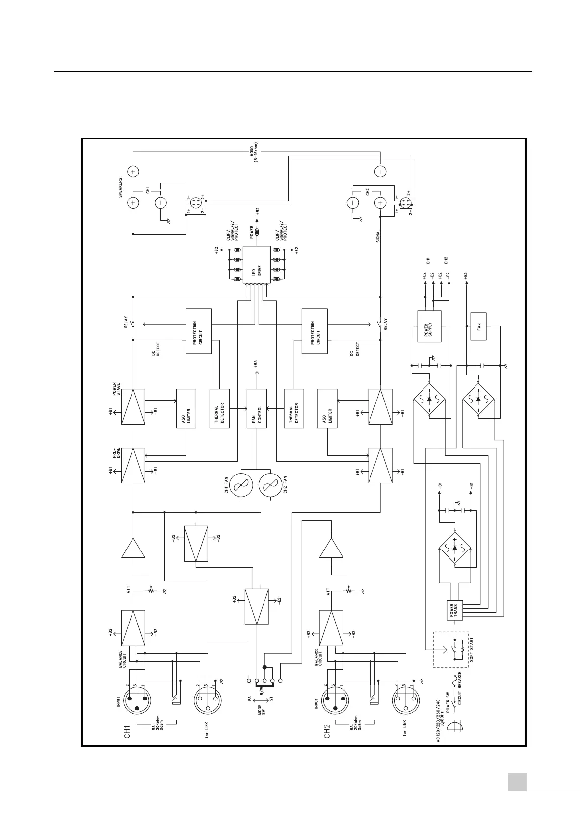
Inter-m M-1500 - System Block Diagram

Inter-m M-1500
20 pages
Print Icon
To Next Page IconTo Next Page
To Next Page IconTo Next Page
To Previous Page IconTo Previous Page
To Previous Page IconTo Previous Page
Loading...
13
M-1500/2000
POWER AMPLIFIER
Block Diagram
Block Diagram

Other manuals for Inter-m M-1500

Related product manuals