EasyManua.ls Logo

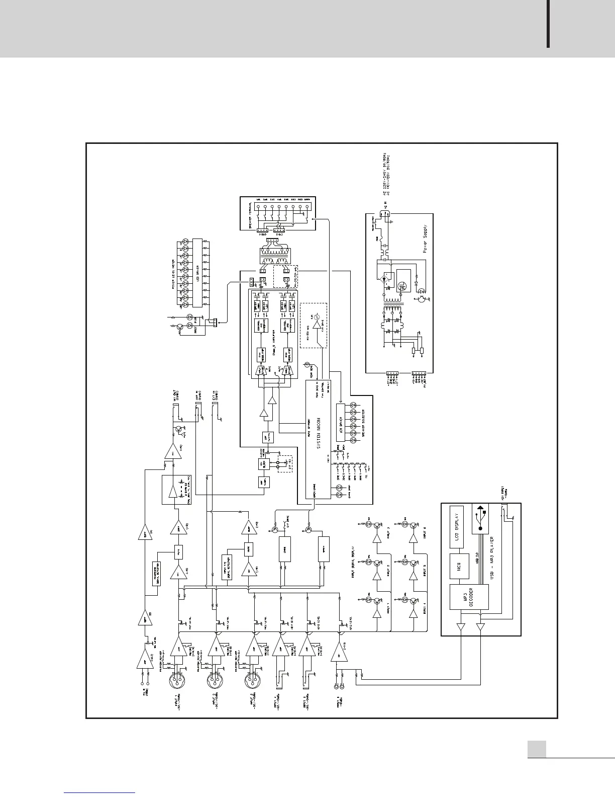
Inter-m MA-206U - Block Diagram

Inter-m MA-206U
20 pages
Print Icon
To Next Page IconTo Next Page
To Next Page IconTo Next Page
To Previous Page IconTo Previous Page
To Previous Page IconTo Previous Page
Loading...
PUBLIC ADDRESS AMPLIFIER
11
MA-206U/212U/224U
Block Diagram
Block Diagram

Related product manuals