EasyManua.ls Logo

Interklima II18SCV1 - Page 23

Default Icon
40 pages
Print Icon
To Next Page IconTo Next Page
To Next Page IconTo Next Page
To Previous Page IconTo Previous Page
To Previous Page IconTo Previous Page
Loading...
Interklima High wall unit
II/IO - SCV1
23
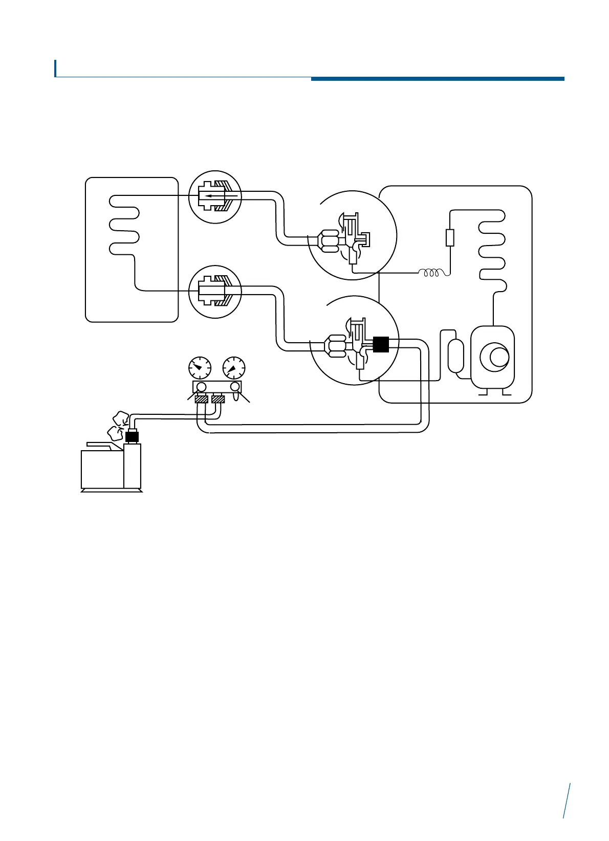
Procedure
1. First, replace a dryer with new one.
2. Connect the vacuum pump to the charge sets center hose.
3. Evacuate for approximately one hour.
- Confirm that the gauge needle has moved
toward – 76 cmHg (vacuum of 4 mmHg or less).
4. Close the valve (Low side) on the charge set,
Turn off the vacuum pump, and confirm that the gauge
needle does not move (approximately 5 minutes after turning
off the vacuum pump).
5. Disconnect the charge hose from the vacuum pump.
- Vacuum pump oil.
If the vacuum pump oil becomes dirty or depleted, replenish
as needed.
Caution
1. Use a vacuum pump equipped with check valve to prevent
backward flow.
2. For R410A, only liquid side is allowed to be charged.
3. Do not attempt to charge with larger amounts of liquid
refrigerant while operating the air conditioner.
2. Evacuation
(Total refrigerant leakage)
Lo
Vacuum pump
Closeopen
Gas size
Indoor unit
Liquid size
Open
Dryer
Outdoor unit
Open
2-Way
valve
3-Way
valve