EasyManua.ls Logo

inventiv INV E1334 P - Documents Techniques

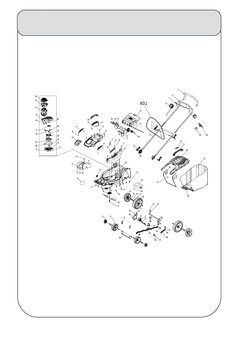
inventiv INV E1334 P
Print Icon
To Next Page IconTo Next Page
To Next Page IconTo Next Page
To Previous Page IconTo Previous Page
To Previous Page IconTo Previous Page
Loading...

Related product manuals