EasyManua.ls Logo

INVERSilence Tech B+InverSilence15 - Digital Input Speed Control; Relay Output Control; RS485 Communication Control

INVERSilence Tech B+InverSilence15
40 pages
Print Icon
To Next Page IconTo Next Page
To Next Page IconTo Next Page
To Previous Page IconTo Previous Page
To Previous Page IconTo Previous Page
Loading...
8
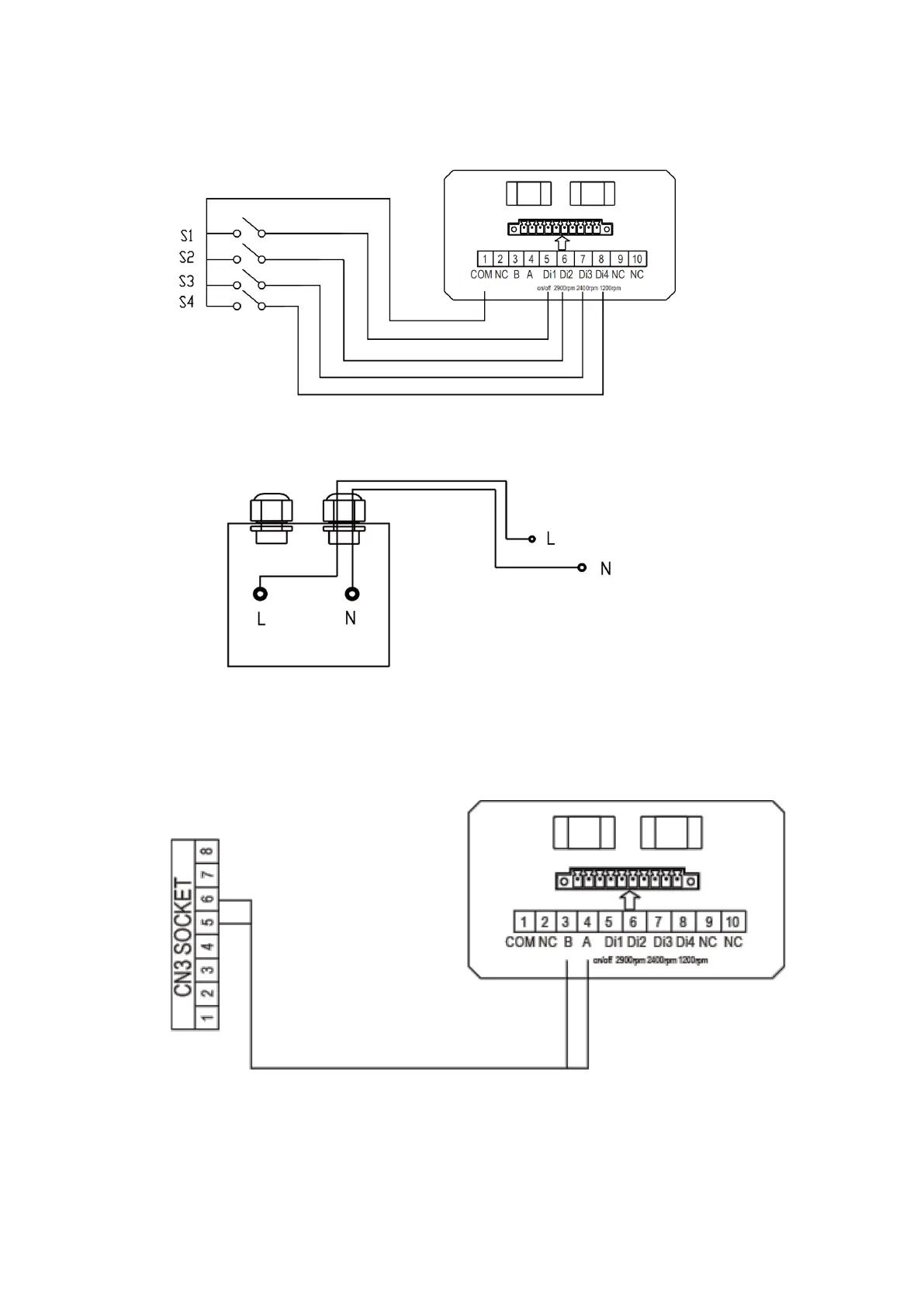
a. Digital InputTo enable external speed control, connect one of the digits from Di1/2/3/4
to COM. See schematic as below:
b. Relay Output: Connect terminal L & N to enable external control. An additional on-offRelay
is necessary while bearing power is less than 500W (2.5A). See schematic as below:
c. RS485: To enable external control pump running capacity, connect terminal A and B, via
Modbus485 communication protocol.
8. TROUBLE SHOOTING
RS485
Display board
Relay external control output