EasyManua.ls Logo

ION Explorer Outback - Radio;Bluetooth

ION Explorer Outback
14 pages
Print Icon
To Next Page IconTo Next Page
To Next Page IconTo Next Page
To Previous Page IconTo Previous Page
To Previous Page IconTo Previous Page
Loading...
REV:1.1
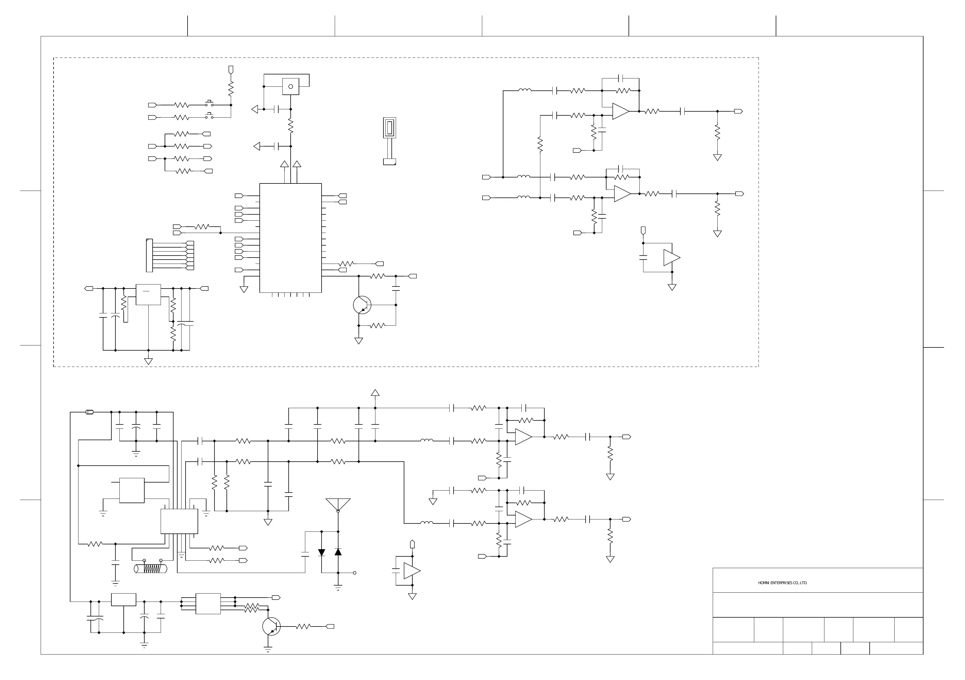
IPA79S -RADIO/BT
SHEET: 5 OF 3
Libing
SCALE:
DWG NO: PT-X-XXXXX-XX
SIZE:A2
COMPANY:
TITLE:
DATED:
APPROVED:
CHECKED:
DATED:
DATED:
DRAWN:
A
B
C
D
1
2
3
4
5
6
D
C
B
A
HOMNI ENTERPRISES CO,.LTD.
20160617
NEXT
PREV
PLAY
BT_PAIRING
×öÓ²¿ª»úʱVBATºÍMFBͬʱÉϵçÒª¼ÓÑÓʱµç·£¬·ÀÖ¹µç³ØµôµçºóÂíÉÏ¿ª»ú²»ÄÜÕý³£¿ª»ú
ÉÕ¼²âÊÔµã ÉÕ¼ʱSPI_PCMÒªÉÏÀ-1V8
Ó²¿ª»úµç·
×öÓ²¿ª»úºóMFBÒ»Ö±¸ø¸ß£¬Èí¼þÔÚËùÓÐuser event´¥·¢É趨ÖÐÐèÒª°ÑVREGÒ»²¢¼ÓÉÏ
1
CH
2
DVSS
3
ROUT
4
L0UT
5
AVSS
6
AVDD
7
XI/RCLK
8
XO
9
ENABLE
10
AMINN
11
AMINP
12
RFINP
13
RFGND
14
SCL
15
SDA
16
VOL
U22
KT0913
1
FM/ANTENNA1
C222
104
C223
105
C172
105
R118
51R
R119
51R
C173
101
FB
L4
600ohm
R328
33K
C174
104
R131
30K
R137
75R
R156
75R
R167
30K
C175
47P
C176
47P
C177
151
C178
151
C179
15P
C180
15P
R168
2.2K
R184
2.2K
C181
105
1
NC
2
GND
4
VCC
3
OUT
X1
12MHZ
R195
10.5K
R196
1K
R197
20K
R198
20K
R199
100R
C182
331
C183
331
R200
10.5K
R201
1K
R202
20K
R203
20K
R204
100R
C184
331
C185
331
R205
47K
R206
47K
C186
47P
-
+
3
2
1
U23-A
TLV6002
-
+
5
6
7
U23-B
TLV6002
8
4
U23-C
TLV6002
C187
47P
C188
47P
FB8
FB
FB10
FB
C189
105
C190
105
1
2
C195
10uF
D6
1N4148
D11
1N4148
C196
105
C197
105
C198
105
C199
105
C200
47P
C201
100uF
C202
100uF
C203
47P
3
IN
1
GND
2
OUT
U28
SPX1117M3 3.3V
FM_G
NC
R234
470R
R235
10K
1
S
2
S
3
S
4
G
5
D
6
D
7
D
8
D
Q26
CEM4435A
R243
10K
2
1
3
Q27
3904
FM-AN1
R24
10K
R26
10K
R28
10K
R29
10K
R30
100R
C78
33P
C79
33P
R33
10K
R34
10K
R36
10K
R37
100R
C80
33P
C81
33P
R40
47K
C88
104
-
+
3
2
1
U10-A
TLV6002
-
+
5
6
7
U10-B
TLV6002
8
4
U10-C
TLV6002
FB3
FB
C20
10uF
C100
10uF
C23
105
C82
105
R75
10K
C102
105
C24
105
FB2
FB
FB1
FB
R113
47K
R45
0
R46
1K
K10
PLAY/PAUSE
R94
1K
K1
BT_Pairing
R261
100R
R260
1K
R259
1K
R85
10K
R84
10K
C8
47P
C15
10uF
C9
220uF
C10
47P
R294
22K
R295
10K
1
VIN
2
GND
3
ON/OFF
4
BYPASS
5
VOUT
IC3
ZHD2405-ADJM5
R296
1K
R256
330R
R146
0
1
PIO21
2
PIO18
3
PIO17
4
PIO9
5
PIO7
6
PIO6
7
PCM
8
CS
9
MISO
10
MOSI
11
CLK
12
RST
13
BAT
14
GND
22
POWER_EN
23
1V8
24
LED0
25
LED1
26
LED2
27
LINE_MIC_AN
28
LINE_MIC_AP
29
MIC_BIAS
30
LINE_BN
31
LINE_BP
32
SPK_RN
33
SPK_RP
34
SPK_LN
35
SPK_LP
15
VBUS
16
CHG_EXT
17
BAT_SENSE
18
PIO1/TX
19
PIO0/RX
20
USB_N
21
USB_P
36
GND
37
RF
38
GND
BT1
R145
10K
C36
2.2uF
R258
47K
R148
10K
1
2
3
SMA2
IPEX-001
2
1
3
Q30
3904
C14
NC
C90
NC
1
2
3
4
5
6
7
J2
AM/ANT1
1
2
J10
1
2
J11
NFC
BIAS
[2,3]
BIAS
[2,3]
TL
[2]
TR
[2]
SCL
[4]
SDA
[4]
VDD1
[2,3,4]
AGND
AGND
AGND
AGND
AGND
AGND
RADIO_ON_OFF
[4]
VEE
[1,2,3,5]
GND
GND
GND
GND
GND
GND
GND
GND
BIAS
[2,3]
BIAS
[2,3]
BT_L
[2]
BT_R
[2]
VDD1
[2,3,4]
AGND
AGND
AGND
SPKL_N
[3]
SPKL_P
[3]
1V8
[3]
PIO21
[3]
PIO07
[3]
PIO17
[3]
PIO09
[3]
1V8
[3]
1V8
[3]
3.7V
[3,4]
VEE
[1,2,3,5]
BT-GND
PREV
[4]
NEXT
[4]
SPKL_P
[3]
SPKL_N
[3]
1V8
[3]
PIO07
[3]
PIO09
[3]
PIO17
[3]
PIO21
[3]
BT-GND
BT-GND
BT-GND
1V8
[3]
CLK
[3]
PCM
[3]
CSB
[3]
MISO
[3]
MOSI
[3]
CLK
[3]
MOSI
[3]
MISO
[3]
CSB
[3]
PCM
[3]
BT-GND
3.7V
[3,4]
3.7V
[3,4]
BT-GND
BT-GND
BT_LED
[4]
BT-GND
3V3
GND
[1,3,5]

Other manuals for ION Explorer Outback

Related product manuals