EasyManua.ls Logo

IPC 2000 - Layout and Assembly; Layout View and Dimensions

IPC 2000
6 pages
Print Icon
To Next Page IconTo Next Page
To Next Page IconTo Next Page
To Previous Page IconTo Previous Page
To Previous Page IconTo Previous Page
Loading...
Installation Hotline • 866.EZINPRO
Inprocorp.com • 800.222.5556 • 262.679.9010
World Headquarters S80 W18766 Apollo Drive, Muskego, WI 53150 USA
Installation Instructions
2000/2000W/G2-2000 Handrail
Please read all instructions before installing
handrail.
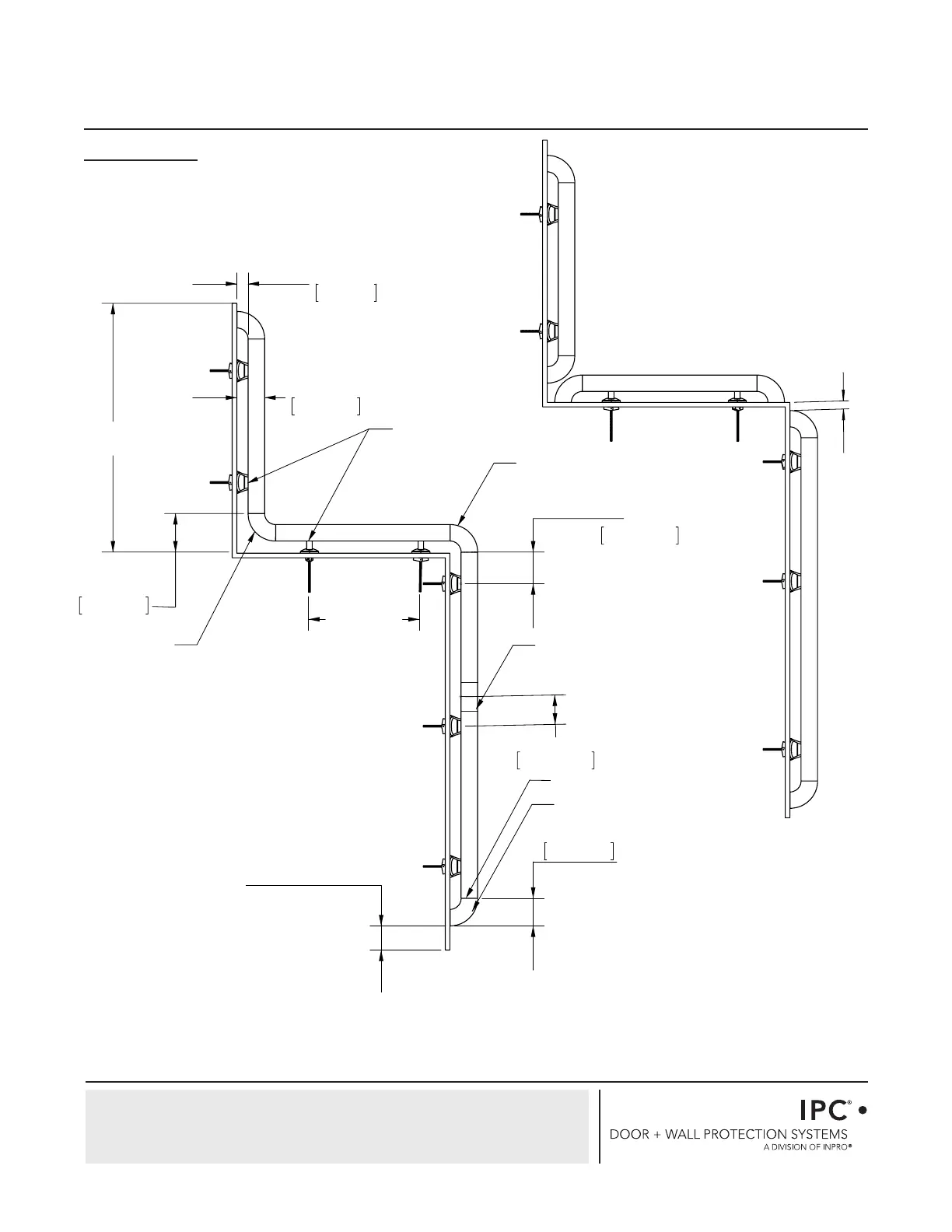
FIELD DIMENSION
(TYPICAL ALL WALLS)
6"
152.4mm
3 3/4"
95.3mm
1 1/2"
38.1mm
32"
[812.8mm]
MAX
BRACKETS
ON CENTER
3 3/4"
95.2 mm
DISTANCE
TO BE DETERMINED
BY INSTALLER
4"
101.6 mm
4"
109.2mm
MAX FIRST
BRACKET LOCATION
FROM WALL
INSIDE CORNER
OUTSIDE CORNER
RETURN
2 OPTIONS FOR
MOUNTING
REVEAL
SPLICE
Layout view
DISTANCE
TO BE DETERMINED
BY INSTALLER
(TYPICAL)

Related product manuals