EasyManua.ls Logo

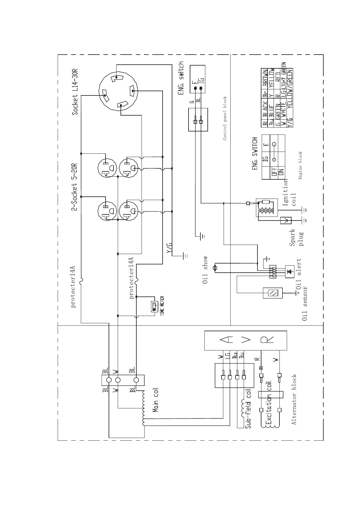
iPower SUA7000 - AP4000 Electrical Diagram and Components; AP4000 Electrical Diagram; AP4000 Diagram Components

iPower SUA7000
30 pages
Print Icon
To Next Page IconTo Next Page
To Next Page IconTo Next Page
To Previous Page IconTo Previous Page
To Previous Page IconTo Previous Page
Loading...
16
P

Related product manuals